We offer a wide range of products, from simple and easy-to-use to adjustable for various motors.

This is a product group that provides highly efficient, low-vibration, low-noise drive with high reliability.
Provides the best solution as a driver for fan motors.

Outline

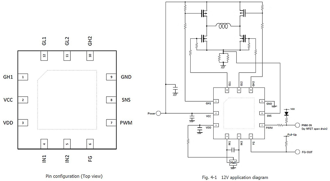
The MT1110 is a pre-driver IC for single-phase BLDC motors operating at 12V. It controls speed by varying the output PWM duty cycle according to the input PWM duty cycle. Input and output duty settings can be stored in the IC's internal non-volatile memory (NVM).
By feeding back the output current phase, it performs automatic lead angle control without requiring setting parameters or external components. Additionally, the soft-switching slope for both rising and falling edges can be individually adjusted. These features enable high-efficiency, low-noise operation across a wide range of motors.

  • (1) Single-phase full-wave pre-driver IC (for upper P-FET / lower N-FET)
    (2) Built-in automatic lead-angle control function
    (3) Stand-by mode (current consumption 0.5mA or less) in case of PWM input duty-cycle 0%
    (4) Adjustable output duty-cycle transition time function
    (5) Soft start function
    (6) Soft switch function in PWM output control
    (7) Built-in current limiter function
    (8) Built-in lock protection and automatic recovery function
    (9) FG and RD signal output selectable
    (10) Write the parameter settings to the non-volatile memory (as One Time Programmable/ OTP)
    (11) Small package (SQFN-12DA/DB)

  • (1) Game machines cooling fan
    (2) Server cooling fan
    (3) Desktop PC cooling fan
    (4) Power supply unit cooling fan

  • scroll

    Pin No.

    Pin Name

    Functuion

    1 GH1 Upper external power FET gate drive output “1”
    2 VCC Power supply terminal
    3 VDD 5V regulator output and power supply terminals for digital and analog circuit
    4 IN1 Hall signal input terminal “1”
    5 IN2 Hall signal input terminal “2”
    6 FG Motor rotation signal output (FG or RD)
    7 PWM Motor rotation speed control signal input terminal
    8 SNS Output current detection resistor connection terminal
    9 GND GND terminal
    10 GH2 Upper external power FET gate drive output “2”
    11 GL2 Lower external power FET gate drive output “2”
    12 GL1 Lower external power FET gate drive output “1”
  • -Any products mentioned in this catalog are subject to any modification in their appearance and others for improvements without prior notification.
    -The details listed here are not a guarantee of the individual products at the time of ordering. When using the products, you will be asked to check their specifications.

  • Associated Data

Featured Products

Reasons why MinebeaMitsumi semiconductors are the choice

We provide high-performance semiconductors with an integrated system covering development, design, and manufacturing.

Download

Product Topics

Industry

Contact Us

Please click the inquiry type below according to your question. Each product / sales representative will respond to you.