1. Semiconductors
  2. Motor IC
  3. FAN Motor Driver IC

MT1220

Product under development, scheduled for release in December 2025.

We offer a wide range of products, from simple and easy-to-use to adjustable for various motors.

This is a product group that provides highly efficient, low-vibration, low-noise drive with high reliability.
Provides the best solution as a driver for fan motors.

Outline

The MT1220 is a single-phase BLDC motor pre-driver IC for 12V/24V applications, controlling motor rotational speed via its internal closed-loop speed control. The target rotational speed is controlled by the input PWM duty cycle. The input PWM duty cycle versus rotational speed characteristic settings can be stored in the IC's internal non-volatile memory (NVM).
By feeding back the output current phase, it performs automatic lead angle control without requiring setting parameters or external components. Additionally, the soft-switching slope for both rising and falling edges can be individually adjusted. These features enable high-efficiency, low-noise operation across a wide range of motors.

  • (1) Single-phase full-wave pre-driver IC (for upper P-FET / lower N-FET)
    (2) Enable to control a high-speed rotation motor (max 44,000rpm in open loop control)
    (3) Enable to reverse the logic in the upper gate drive output by switching the TYPE terminal.
    (4) Built-in automatic lead-angle control function
    (5) Stand-by mode (current consumption 0.5mA or less) in case of PWM input duty-cycle 0%
    (6) Soft start function
    (7) Soft switch function in PWM output control
    (8) Built-in current limiter and overcurrent protection function
    (9) Built-in lock protection and automatic recovery function
    (10) FG and RD signal output selectable
    (11) Write the parameter settings to the non-volatile memory (as One Time Programmable/ OTP)
    (12) Small package (SQFN-16EA/EB)

  • (1) Server cooling fan
    (2) Refrigerator circulation fan
    (3) Home appliance cooling fan
    (4) Power supply unit cooling fan

  • scroll

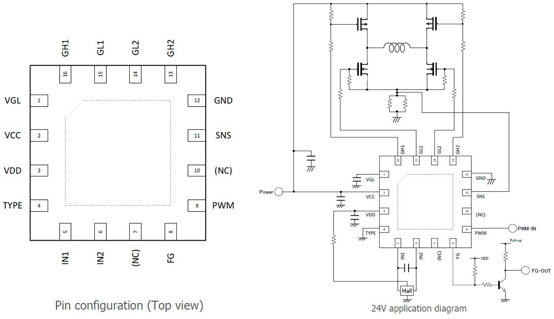
    Pin No.

    Pin Name

    Functuion

    1 VGL 11V regulator output and power supply terminal for output circuit of lower external power FET gate drive
    2 VCC Power supply terminal
    3 VDD 5V regulator output and power supply terminals for digital and analog circuit
    4 TYPE GH1, GH2 Upper external FET type selection
    5 IN1 Hall signal input terminal (1)
    6 IN2 Hall signal input terminal (2)
    7 (NC) (No connect.)
    8 FG Motor rotation signal output (FG or RD)
    9 PWM Motor rotation speed control signal input terminal
    10 (NC) (No connect.)
    11 SNS Output current detection resistor connection terminal
    12 GND GND terminal
    13 GH2 Upper external power FET gate drive output (2)
    14 GL2 Lower external power FET gate drive output (2)
    15 GL1 Lower external power FET gate drive output (1)
    16 GH1 Upper external power FET gate drive output (1)
  • -Any products mentioned in this catalog are subject to any modification in their appearance and others for improvements without prior notification.
    -The details listed here are not a guarantee of the individual products at the time of ordering. When using the products, you will be asked to check their specifications.

  • Associated Data

Featured Products

Reasons why MinebeaMitsumi semiconductors are the choice

We provide high-performance semiconductors with an integrated system covering development, design, and manufacturing.

Download

Product Topics

Industry

Contact Us

Please click the inquiry type below according to your question. Each product / sales representative will respond to you.