シンプルで使いやすい製品から、モーターに応じて調整可能な多機能製品まで取り揃えております。
高効率、低振動、低騒音な駆動を、高い信頼性で提供する製品群となります。ファンモーター用ドライバーとして最適なソリューションを提供します。
概要
MT1220は12V/24V用の単相BLDCモータのプリドライバICで、内蔵の閉ループ速度制御によりモータの回転速度を制御します。目標回転速度は入力PWMデューティによって制御されます。入力PWMデューティ対回転速度特性の設定はIC内部の不揮発性メモリ(NVM)に保存することができます。
出力の電流位相をフィードバックすることで、設定パラメータや外付け部品不要で自動進角制御を行ないます。また立上り/立下りのソフトスイッチ傾斜を個別に調節可能です。これらの機能により様々なモータにおいて高効率・低騒音で駆動することが可能になります。
-
-
(1) 単相全波プリドライバIC(上側P-FET/下側N-FET用)
(2) 高速回転(開ループ制御時でmax 44,000rpm)のモータ制御が可能
(3) TYPE端子の切り替えにより、上側のゲート駆動出力の論理を反転
(4) 自動進角制御機能内蔵
(5) PWM入力デューティ0%時、スタンバイモード(消費電流 0.5mA以下)
(6) ソフトスタート機能
(7) PWMソフトスイッチ
(8) 電流リミッタ及び過電流保護機能内蔵
(9) ロック保護及び自動復帰機能内蔵
(10) FG及びRD信号出力選択可
(11) 不揮発性メモリへのパラメータ設定を書き込み(1回のみ)
(12) 小型パッケージ(SQFN-16EA/EB) -
(1) サーバー冷却ファン
(2) 冷蔵庫循環ファン
(3) 家電冷却ファン
(4) 電源ユニット冷却ファン -
スクロールできます
ピンNo.
端子名
機能
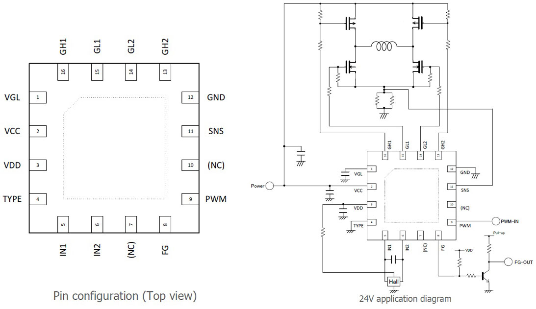
1 VGL 11Vレギュレータ出力および下側FETゲート駆動用出力回路電源供給端子 2 VCC 電源供給端子 3 VDD 5Vレギュレータ出力およびデジタル系及びアナログ系回路電源供給端子 4 TYPE GH1, GH2 上側外付けFETタイプ選択 5 IN1 ホール信号入力端子(1) 6 IN2 ホール信号入力端子(2) 7 (NC) (No connect.) 8 FG モータ回転信号出力(FGまたはRD) 9 PWM モータ回転速度制御信号入力端子 10 (NC) (No connect.) 11 SNS 出力電流検出用抵抗接続端子 12 GND GND端子 13 GH2 上側外付けパワーFETゲート駆動出力(2) 14 GL2 下側外付けパワーFETゲート駆動出力(2) 15 GL1 下側外付けパワーFETゲート駆動出力(1) 16 GH1 上側外付けパワーFETゲート駆動出力(1) -
-記載された製品は改良などにより、外観及び記載事項の一部を予告なく変更することがあります。
-記載内容は実際にご注文される時点での個別の製品の仕様を保証するものではありませんので、ご使用にあたりましては、必ず製品仕様書・製品規格をご請求の上、確認して頂きますようお願い致します。 -
関連データ
注目製品
ミネベアミツミの半導体が選ばれる理由
開発・設計・製造までの一貫体制で高性能な半導体を提供します

