Feature of a Product
Self lubricating
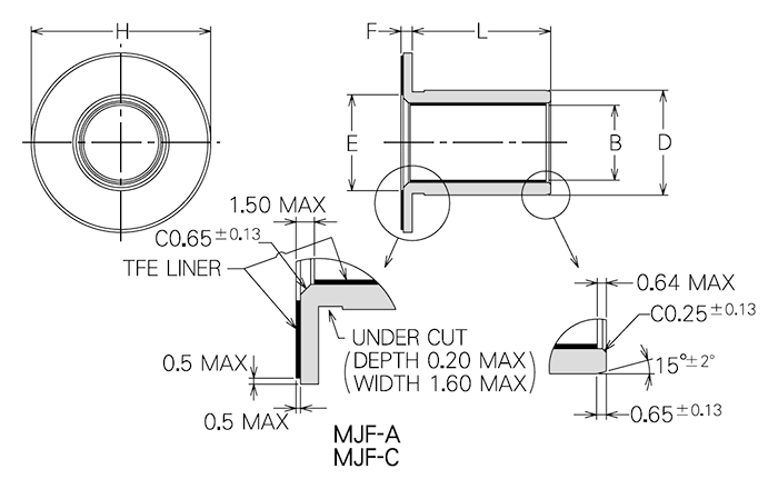
Dimension
Dimensions in mm
Part No. | oB*1 0/-0.025 | øD*2 | F 0/-0.13 | øH 0/-0.5 | øE 0/-0.5 | Approx. Weight (Aluminium) [g] |
Approx. Weight (Stainless Steel) [g] |
L5 ±0.2 | L6 ±0.2 | L7 ±0.2 | L8 ±0.2 | L9 ±0.2 | L10 ±0.2 | L12 ±0.2 | L14 ±0.2 | L16 ±0.2 | L18 ±0.2 | L20 ±0.2 | L22 ±0.3 | L24 ±0.3 | L26 ±0.3 | L28 ±0.3 | L30 ±0.3 | L32 ±0.3 | L34 ±0.3 | L36 ±0.3 | L38 ±0.3 | L40 ±0.3 | L42 ±0.3 | L44 ±0.3 | L46 ±0.3 | L48 ±0.3 | L50 ±0.3 | L52 ±0.5 | L54 ±0.5 | L56 ±0.5 | L58 ±0.5 | L60 ±0.5 | L62 ±0.5 | L64 ±0.5 | L66 ±0.5 | L68 ±0.5 | L70 ±0.5 | L72 ±0.5 | L74 ±0.5 | L76 ±0.5 | L78 ±0.5 | L80 ±0.5 |
---|
Part Number

Material
(P/N) | SLEEVE | LINER |
---|---|---|
MJF-A | Aluminium Alloy/ Anodised or Alodined |
TFE |
MJF-C | 410 Stainless Steel | TFE |
Notes
*1 Tolerance
Aluminium: ±0.013
Stainless: 0 to -0.013
1. PTFE liner permanently bonded to sleeve I.D.
2. Made to order only.
*Please consult MinebeaMitsumi for availability of bearings in this series.