This site uses cookies to improve your online experience. By continuing to use this site, we will assume that you are agreeing to our use of cookies. For more information about cookies, please visit our「cookie policy」.
Target applications: Automotive antenna, camera and V2X, etc. Coaxial connector with lock function is used for antenna and image data transfer. Mini coaxial connector is smaller and possible to load higher transmission speed than FAKRA connector.
Features
1. Quad, Vertical type. 2. Suitable for automotive antennas, cameras, and V2X data transmission. 3. USCAR49 standard. 4. Capable to load 9 GHz of data transmission. 5. With lock function and prevent wrong mating. 6. RoHS compliant.
Specifications
Electric Characteristics
Rated voltage: 60V DC Max Rated current: 1A DC Max Impedance: 50Ω Contact resistance: 24mΩ max (contact pin)/ 10mΩ MA Insulation resistance: 100MΩ Min Dielectric withstanding voltage: 500V AC
Mechanical Characteristics
Durability(mating / unmating): 25 times Insertion force: 45N Max Withdrawal force: 75N Max Retention force latch: 110N Min
Environmental Characteristics
Operating temparature range: -30℃~85℃
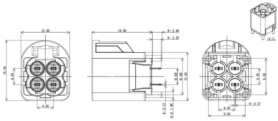
Overall View
Unit:mm
NOTE
*Any products mentioned in this catalog are subject to any modification in their appearance and others for improvements without prior notification. *The details listed here are not a guarantee of the individual products at the time of ordering. When using the products, you will be asked to check their specifications.