
主要用途:車載向け アンテナ、カメラ、V2Xなど
アンテナや画像データ転送に用いるロック付きの同軸コネクタです。
FAKRAコネクタより小さく、より高速伝送が可能です。
特長
・USCAR規格準拠
・他社製コネクタと嵌合互換性あり
・実装面積小(FAKRA比較)
伝送速度:9GHz伝送対応
定格:60V,1A
特長
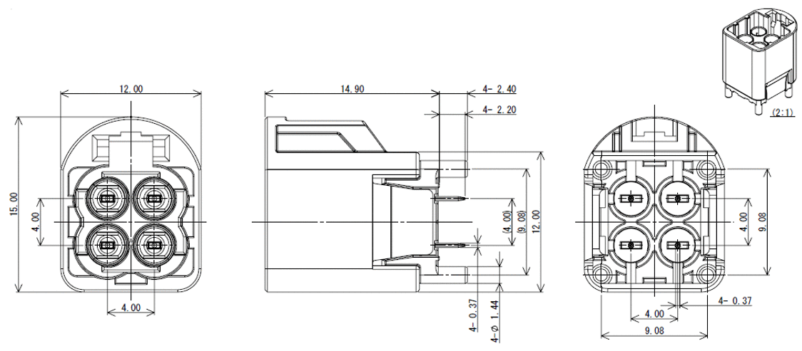
1. 4連、バーティカルタイプのMini同軸コネクタです。
2. 車載用アンテナ、カメラ、V2Xのデータ伝送に対応した同軸コネクタです。
3. USCAR49規格に準拠しています。
4. 最大9GHzの高速伝送に対応しています。
5. フルロック、誤嵌合防止キー構造です。
6. RoHS指令に適応しています。
-
-
電気的特性
定格電圧:60V DC Max
定格電流:1 A DC Max
特性インピーダンス:50Ω
接触抵抗:24mΩ max (contact pin)/ 10mΩ MA
絶縁抵抗:100MΩ Min
耐電圧: 500V AC機械的特性
挿抜寿命:25回
総挿入力:45N Max
総引抜力:75N Max
ロック保持強度:110N Min環境特性
使用温度範囲:-30℃~85℃
-
Unit:mm
-
・記載された製品は改良などにより、外観及び記載事項の一部を予告なく変更することがあります。
・記載内容は実際にご注文される時点での個別の製品の仕様を保証するものではありませんので、ご使用にあたりましては、必ず製品仕様書・製品規格をご請求の上、確認して頂きますようお願い致します。
注目製品
ミネベアミツミのコネクタが選ばれる理由
豊富なラインアップと、きめ細かな対応でお客様のものづくりを支えます