1. コネクタ
  2. 同軸コネクタ
  3. FAKRAコネクタ
  4. FAKRAコネクタ(ダイキャストタイプ)

CDM-J83, CDM-K35, CDM-J97, CDM-K33

主要用途:車載向け アンテナ、カメラ、モニターなど
アンテナ信号や画像データ伝送に用いる1ピンのロック付き同軸コネクタです。

特長
・FAKRA規格準拠
・他社製コネクタと嵌合互換性あり
・豊富な車両メーカー採用実績

伝送速度:4GHz高速伝送対応
定格:60V,1A

特長

1.車載アンテナ用として高周波信号の伝送に対応しています。
2.シェル(ボディ)はダイカスト部品を採用、堅牢な構造を実現しています。
3.実装スペースや向きに対応した豊富なバリエーションを用意しています。(ライトアングルタイプ/ストレートタイプ、高背タイプ/低背タイプ)
4.接続用途別に各種コーディング(嵌合キー)を用意しています。
5.Pin-in-Paste対応です。
6.RoHS指令に適応しています。

  • 電気的特性

    定格電圧: 60V DC max.
    定格電流: 1A DC max.
    特性インピーダンス:50Ω
    インサーションロス:
    0.15dB max. (0 to 1GHz)
    0.25dB max. (1 to 2.5GHz)
    0.35dB max. (2.5 to 4GHz)
    リターンロス:
    15.6dB min. (0 to 2GHz)
    14.0dB min. (2 to 4GHz)

    機械的特性

    挿抜寿命: 25回
    総挿入力: 25N以下
    総引抜力: 25N以下

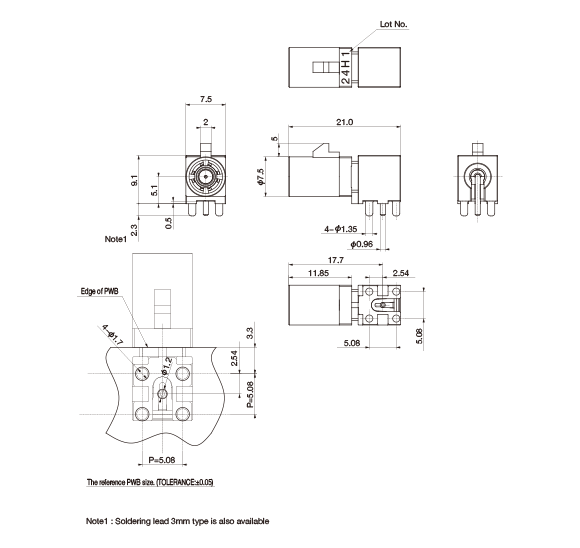
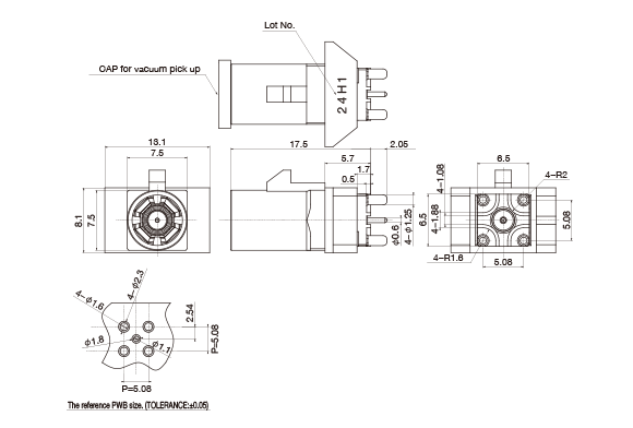
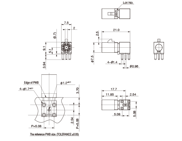
  • CDM-J83

    CDM-K35

    CDM-J97

    CDM-K33

    CDM-K33N

    Unit:mm

  • ・記載された製品は改良などにより、外観及び記載事項の一部を予告なく変更することがあります。
    ・記載内容は実際にご注文される時点での個別の製品の仕様を保証するものではありませんので、ご使用にあたりましては、必ず製品仕様書・製品規格をご請求の上、確認して頂きますようお願い致します。

  • 関連データ

注目製品

ミネベアミツミのコネクタが選ばれる理由

豊富なラインアップと、きめ細かな対応でお客様のものづくりを支えます

ダウンロード

産業分野(用途)から探す

サポート・お問い合わせ

各種製品に関するお問い合わせや技術的なご質問、各種資料のお取り寄せなど、各製品担当者がお答えいたします。