PCRシリーズ
1.コンタクト間ピッチが1.27mmの為、小型化に有効
2.ロック機構は、ばねロックとねじロックで選択可能
3.カバーケースはダイカスト又はプラスチックタイプ

【型式説明】
()・・・極数
*/#・・・製品仕様

※製品に印字されている品名は略式表示となります。

  • 型式 PCR-E()FS+
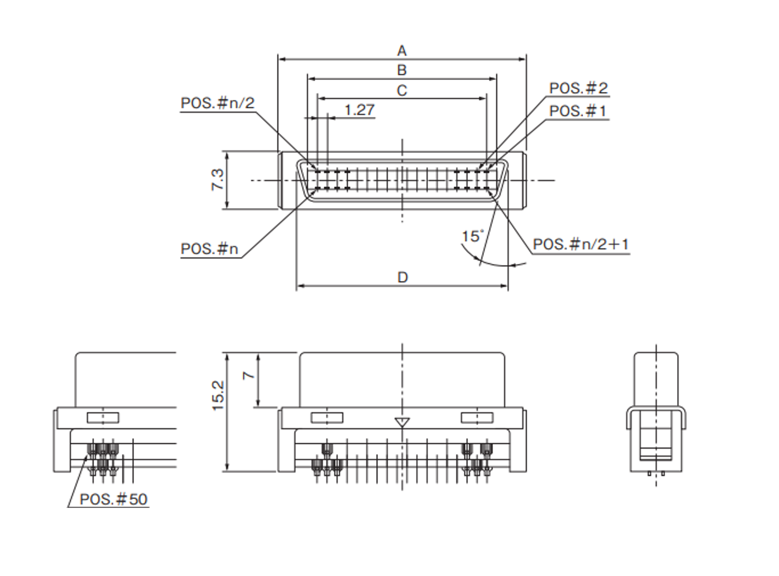
    芯数 20,28,36,50,68,96
    ピッチ
    [mm]
    1.27
    実装/結線方法 はんだ
    定格電流
    [A/ピン]
    1
    耐電圧 AC500V(r.m.s)1分間
    使用温度範囲
    下限
    [℃]
    -40
    使用温度範囲
    上限
    [℃]
    105

  • 掲載している商品の仕様は参考値です。お客様の性能を保証するものではありません。
    商品および仕様は、改良等のため予告なく記載内容を変更する場合があります。
    採用のご検討やご注文の際は当社販売窓口までお問い合わせのうえ、納入仕様書の取り交わしをお願いします。
    特に車載用途や医療用途などの高い信頼性やお客様指定の品質保証プログラムがある場合は、必ず事前に当社販売窓口までご相談下さいますようお願いいたします。

注目製品

ミネベアミツミのコネクタが選ばれる理由

豊富なラインアップと、きめ細かな対応でお客様のものづくりを支えます

産業分野(用途)から探す

サポート・お問い合わせ

各種製品に関するお問い合わせや技術的なご質問、各種資料のお取り寄せなど、各製品担当者がお答えいたします。