高静圧のシロッコ型ファンで、通風抵抗が大きい機器や局部冷却に最適です。
一般仕様
モーター保護:自動復帰方式、逆接続防止
絶縁抵抗:DC 500V メガにて10M Ω以上
絶縁耐圧:AC 700V 1s
許容環境温度範囲:
-10℃ ~ +70℃ (Operating)
-40℃ ~ +70℃ (Storage)
実用上さしつかえない状態で結露無きこと
-
-
以下のテーブル内の矢印アイコンを押下していただくと、昇順から降順と順番に切り替わります。
スクロールできます
型式
管理番号
定格電圧
[V]使用電圧範囲
下限
[V]使用電圧範囲
上限
[V]定格電流
[A]定格入力
[W]定格回転速度
[min-1]最大風量
[m3/min]最大風量
[CFM]最大静圧
[Pa]最大静圧
[In H2O]騒音
[dB]質量
[g]04520GA-12L-AA-00 00 12 6.0 13.8 0.09 1.08 6000 0.12 4.20 100 0.40 27.0 25 04520GA-12M-AA-00 00 12 6.0 13.8 0.15 1.80 7000 0.14 4.90 150 0.60 32.0 25 04520GA-12N-AA-00 00 12 6.0 13.8 0.17 2.04 7700 0.16 5.60 190 0.76 35.0 25 回転方向:ラベルから見て時計方向
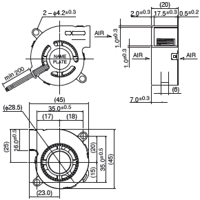
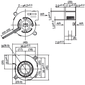
*1:Average Values in Free Air外観図
特性曲線
-
25℃ 50,000時間 ※故障率10% (L10 Life)
-
ケーシングロワー:プラスチック(ブラック)UL94V-0
ケーシングアッパー:鋼板
インペラー:プラスチック(ブラック)UL94V-0
軸受:ボールベアリング
リード線:UL1061 AWG26 +: 赤 -: 黒 -
関連データ
ミネベアミツミのファンモーターが選ばれる理由

