 
高静圧のシロッコ型ファンで、通風抵抗が大きい機器や局部冷却に最適です。
一般仕様
モーター保護:自動復帰方式
絶縁抵抗:DC 500V メガにて10M Ω以上
絶縁耐圧:AC 700V 1s
許容環境温度範囲:
 L、M Class:-10℃ ~ +70℃ (Operating)
 N Class:-10℃ ~ +60℃ (Operating)
 -40℃ ~ +70℃ (Storage)
実用上さしつかえない状態で結露無きこと
- 
- 
以下のテーブル内の矢印アイコンを押下していただくと、昇順から降順と順番に切り替わります。 スクロールできます 型式 管理番号 定格電圧 
 [V]使用電圧範囲 
 下限
 [V]使用電圧範囲 
 上限
 [V]定格電流 
 [A]定格入力 
 [W]定格回転速度 
 [min-1]最大風量 
 [m3/min]最大風量 
 [CFM]最大静圧 
 [Pa]最大静圧 
 [In H2O]騒音 
 [dB]質量 
 [g]06023GS-12L-AA-C0 C0 12 6.0 13.8 0.11 1.32 3500 0.18 6.40 80 0.32 28.0 37 06023GS-12M-AA-C0 C0 12 6.0 13.8 0.21 2.52 4500 0.25 8.80 160 0.64 36.0 37 06023GS-12N-AA-C0 C0 12 7.0 12.6 0.25 3.00 5000 0.28 9.90 210 0.84 39.0 37 回転方向:ラベルから見て時計方向 
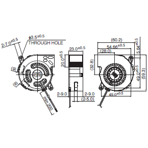
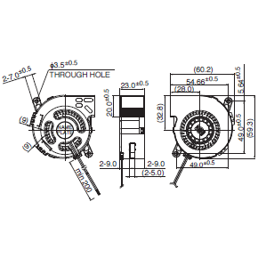
 *1:Average Values in Free Air外観図  特性曲線  
- 
60℃ 10,000時間 ※故障率10% (L10 Life) 
- 
ケーシングロワー:プラスチック(ブラック)UL94V-0 
 ケーシングアッパー:鋼板
 インペラー:プラスチック(ブラック)UL94V-0
 軸受:スリーブベアリング
 リード線:UL1061 AWG26 +: 赤 -: 黒
- 
関連データ
ミネベアミツミのファンモーターが選ばれる理由
 
                          
 
 
 
 
 
 
 
 


