主に通信機器向けに開発された大型軸流ファンです。
ミネベアミツミ製ボールベアリングを使用、三相駆動方式DCブラシレスモータで高信頼性を保っています。
強い風量、静圧が必要とされる箇所に使用されます。
環境対応(防塵・防水)した仕様製品も取り揃えています。
一般仕様
モーター保護:ロック保護、逆接続防止
絶縁抵抗:10MΩ以上、DC500V
絶縁耐圧:AC500V 1分
許容環境温度範囲:-30℃~+70℃(Operating)
-40℃~+80℃(Storage)
実用上さしつかえない状態で結露無きこと
-
-
以下のテーブル内の矢印アイコンを押下していただくと、昇順から降順と順番に切り替わります。
スクロールできます
型式
定格電圧
[V]使用電圧範囲
下限
[V]使用電圧範囲
上限
[V]定格電流
[A]定格入力
[W]回転速度
[rpm]最大風量
[m3/min]最大風量
[CFM]最大静圧
[Pa]最大静圧
[In H2O]騒音
[dB]質量
[g]R150H3-051-D0760 48 43.2 52.8 2.1 100.8 6500 13.4 473 798 3.2 73 800 R150H4-051-D0750 48 43.2 52.8 1.0 48.0 5000 10.3 364 557 2.2 66 800 R150H1-051-D0560 24 21.6 26.4 4.0 96.0 6500 13.4 473 798 3.2 73 800 R150H2-051-D0550 24 21.6 26.4 2.0 48.0 5000 10.3 364 557 2.2 66 800 *1 Average values in free air and rated voltage condition.
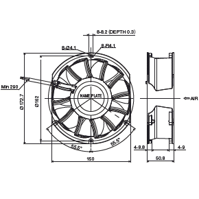
外観図
特性曲線
-
40℃ 70,000時間 (L10)
-
ケーシング:アルミニウム
インペラー:プラスチック
軸受:ボールベアリング
リード線:UL3266 AWG20 +:赤-:黒速度制御:黄速度信号:白
* IP対応も可能です。
別途お問い合わせ下さい。 -
関連データ
ミネベアミツミのファンモーターが選ばれる理由

