1. ベアリング
  2. スフェリカルベアリング

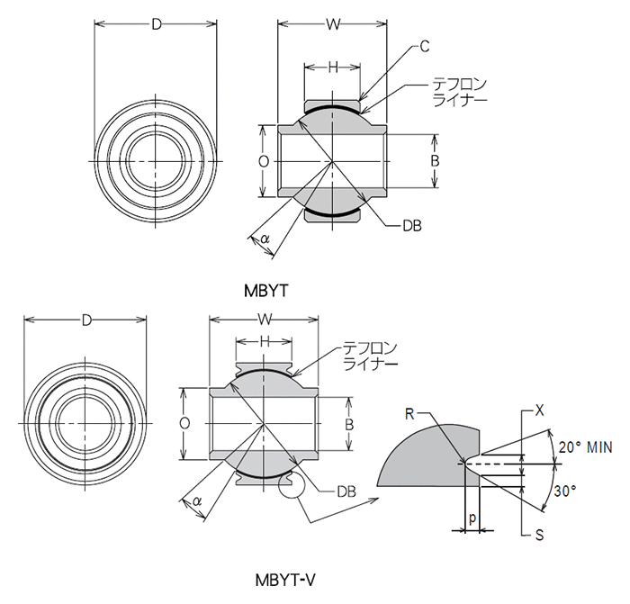
MBYT, MBYT-V

スフェリカル PTFEタイプ 高傾斜角

自己調心型軸受であるスフェリカルベアリングは、航空機、鉄道、自動車、産業機械に至るまで、主に駆動する部位に必要とされる軸受です。

自己潤滑性を有するPTFEタイプ、静的な高荷重の環境で有効なメタルタイプ等、ニーズに対応できる特徴ある製品を揃えております。また、特殊用途にご使用頂く場合は、弊社営業部門まで問い合わせください。

製品の特徴

・無潤滑で使用できます。
レース内径面にPTFEライナーを接着しており、ボール球面とPTFEライナー面で滑り運動をします。PTFEライナーは自己潤滑性を持つためグリース等の潤滑剤は不要です。従って、油分をきらうところや潤滑が困難または不可能な場所での使用に有効です。また、潤滑機構を必要としないためメンテナンスのコストを下げることにも有効です。PTFEタイプのスフェリカルは低速揺動下での使用に適しています。また、揺動荷重下でも比較的良好な性能を発揮します。従って、メタルタイプでは摩擦が大き過ぎたり、焼付きや疲れ破損を起こしやすい、摺動面のフレッチングが問題になるといった場合にはPTFEタイプに交換することが有効な対策となります。

  • 単位:mm

    以下のテーブル内の矢印アイコンを押下していただくと、昇順から降順と順番に切り替わります。

    スクロールできます

    型式番号

    øB H7

    φD 0-0.013

    W 0-0.13

    H ±0.13

    α度

    øO(参考)

    SφDB(参考)

    無負荷回転トルク
    標準タイプ
    下限
    [N・m]

    無負荷回転トルク
    標準タイプ
    上限
    [N・m]

    無負荷回転トルク
    標準タイプ
    下限
    [kgf・cm]

    無負荷回転トルク
    標準タイプ
    上限
    [kgf・cm]

    C面取りタイプ C±0.2

    V溝タイプ S 0-0.25

    V溝タイプ X 0-0.25

    V溝タイプ R 0-0.25

    V溝タイプ P 0-0.4

    静定格荷重(ラジアル)
    [kN]

    静定格荷重(アキシアル)
    [kN]

    揺動荷重
    [kN]

    質量
    [g]

    MBYT5/MBYT5V 5 14.0 12.5 5.00 17 8.0 11.100 0.06 0.57 0.6 5.8 0.5 0.5 1.0 0.4 0.7 18.63 1.96 7.84 8
    MBYT6/MBYT6V 6 19.0 15.0 6.50 23 10.0 15.100 0.12 0.57 1.2 5.8 0.5 0.5 1.0 0.4 0.7 36.26 3.43 14.70 18
    MBYT8/MBYT8V 8 18.0 16.0 6.50 20 10.5 15.100 0.12 0.57 1.2 5.8 0.5 0.5 1.0 0.4 0.7 36.26 3.43 14.70 15
    MBYT10/MBYT10V 10 23.0 20.5 8.50 22 13.5 20.000 0.12 0.57 1.2 5.8 0.6 0.7 1.4 0.5 1.0 63.70 5.97 28.42 32
    MBYT12/MBYT12V 12 26.0 22.0 8.50 22 16.0 22.500 0.12 0.57 1.2 5.8 0.6 0.7 1.4 0.5 1.0 72.03 5.97 32.34 42
    MBYT14/MBYT14V 14 29.0 23.5 10.00 20 19.0 26.000 0.12 0.57 1.2 5.8 0.6 0.7 1.4 0.5 1.0 98.00 8.33 44.10 60
    MBYT15/MBYT15V 15 33.0 26.0 12.00 19 20.0 28.000 0.12 0.57 1.2 5.8 0.6 0.7 1.4 0.5 1.0 135.24 18.62 60.76 86
    MBYT16/MBYT16V 16 35.0 30.5 14.00 21 21.5 31.800 0.12 0.57 1.2 5.8 0.6 0.7 1.4 0.5 1.0 179.34 25.48 80.36 120
    MBYT18/MBYT18V 18 38.0 33.0 14.50 15 23.5 32.000 0.12 0.57 1.2 5.8 0.6 0.7 2.0 0.5 1.5 187.18 27.44 83.30 135
    MBYT20/MBYT20V 20 40.0 35.5 15.50 18 25.0 35.000 0.23 0.90 2.3 9.2 0.8 0.7 2.0 0.5 1.5 219.52 31.36 98.00 155
    MBYT22/MBYT22V 22 44.0 35.5 15.50 18 29.0 38.800 0.23 0.90 2.3 9.2 1.0 0.7 2.0 0.5 1.5 243.04 31.36 108.78 200
  • スクロールできます

    (型式番号)

    レース

    ボール

    ライナー

    MBYT, MBYT-V 410 ステンレス鋼 440C ステンレス鋼 TFE
  • 1. PTFEライナーはレース内径面に接着されています。
    2. MBYTとMBYT-Vの質量は同じです。
    3. 本シリーズは受注生産となります。
    4. 無負荷回転トルク
    低トルクタイプ 全サイズ:0.02N・m MAX
    (ラジアルすきま0.05mmMAX)

    ※選定に当たってはミネベアミツミにご相談ください。

  • 関連データ

注目製品

ミネベアミツミのベアリングが選ばれる理由

世界シェアNo.1の実績を持つ超精密加工技術で幅広いニーズに対応します

サポート・お問い合わせ

各種製品に関するお問い合わせや技術的なご質問、各種資料のお取り寄せなど、各製品担当者がお答えいたします。