
AXAシリーズ
1.ノイズ低減と放熱性の向上(両面金属シェル構造)
2.堅牢性向上(接合強度は一般品の10倍)
3.実装安定性向上(ベース部品が金属のため)
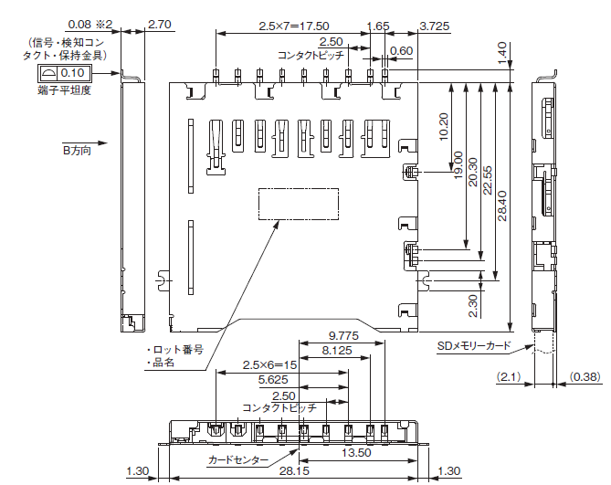
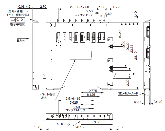
【型式説明】
()・・・極数
*/#・・・製品仕様
-
-
型式 AXA2S63062P-M 芯数 規格準拠 実装/結線方法 UHS-I/SMT 定格電流
[A/ピン]0.5 耐電圧 AC500V(r.m.s)1分間 使用温度範囲
下限
[℃]-25 使用温度範囲
上限
[℃]90
-
-
掲載している商品の仕様は参考値です。お客様の性能を保証するものではありません。
商品および仕様は、改良等のため予告なく記載内容を変更する場合があります。
採用のご検討やご注文の際は当社販売窓口までお問い合わせのうえ、納入仕様書の取り交わしをお願いします。
特に車載用途や医療用途などの高い信頼性やお客様指定の品質保証プログラムがある場合は、必ず事前に当社販売窓口までご相談下さいますようお願いいたします。
注目製品
ミネベアミツミのコネクタが選ばれる理由
豊富なラインアップと、きめ細かな対応でお客様のものづくりを支えます