
TATシリーズ
1.IPX9K(高圧洗浄に耐える防水性能)を実現
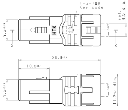
2.プラグコネクタ外径Φ11.2±0.2mmと最小クラス
3.意図しないロック解除を抑制する形状
※本商品はケーブルを接続したハーネス品として販売いたします。
詳しくは当社営業担当までお問い合わせください。
-
-
型式 TAT001A00AMF 芯数 4 ピッチ
[mm]2.00 防水等級 IPX9K 実装/結線方法 圧着 定格電流
[A/ピン]2.5 耐電圧 AC500V(r.m.s)1分間 使用温度範囲
下限
[℃]-40 使用温度範囲
上限
[℃]105 適合ケーブル径 AWG24 ~ 28
-
-
掲載している商品の仕様は参考値です。お客様の性能を保証するものではありません。
商品および仕様は、改良等のため予告なく記載内容を変更する場合があります。
採用のご検討やご注文の際は当社販売窓口までお問い合わせのうえ、納入仕様書の取り交わしをお願いします。
特に車載用途や医療用途などの高い信頼性やお客様指定の品質保証プログラムがある場合は、必ず事前に当社販売窓口までご相談下さいますようお願いいたします。
注目製品
ミネベアミツミのコネクタが選ばれる理由
豊富なラインアップと、きめ細かな対応でお客様のものづくりを支えます