交流電圧で駆動するモーターでファン(羽根)を回転させる事により、産業機械や設備機器などの内部で発生する熱を外部へ排出し、内部を冷却します。 軸受には自社製ボールベアリングを使用しています。
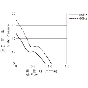
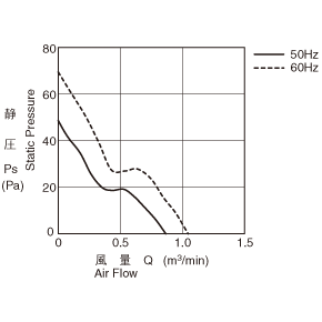
【注】 表内の値は圧力損失がない状態での平均値となります。
一般仕様
モーター構造:くまとりコイル型インダクションモーター
モーター保護:インピーダンスプロテクト
絶縁抵抗:DC 500V メガにて100M Ω以上
絶縁耐圧:AC1800V 3s
許容環境温度範囲:-10℃ ~ +70℃ (Operating)
-40℃ ~ +70℃ (Storage)
実用上さしつかえない状態で結露無きこと型式旧呼称 :3610PS
-
-
以下のテーブル内の矢印アイコンを押下していただくと、昇順から降順と順番に切り替わります。
スクロールできます
型式
管理番号
定格電圧
[V]周波数
[Hz]起動電圧
[V]定格電流
[A]定格入力
+10%/-20%
[W]定格回転速度
[min-1]最大風量
[m3/min]最大風量
[CFM]最大静圧
[In H2O]騒音
[dB]質量
[g]09225PB-A0L-EA- 00 100 50 65 0.190 13.0 2600 0.80 28.6 0.17 33.5 300 09225PB-A0L-EA- 00 100 60 65 0.150 10.0 3100 0.98 35.0 0.24 38.0 300 09225PB-A1L-EA- 00 115 50 75 0.170 12.0 2600 0.80 28.6 0.17 33.5 300 09225PB-A1L-EA- 00 115 60 75 0.130 9.0 3100 0.98 35.0 0.24 38.0 300 09225PB-B0L-EA- 00 200 50 130 0.100 13.0 2600 0.80 28.6 0.17 33.5 300 09225PB-B0L-EA- 00 200 60 130 0.080 10.0 3100 0.98 35.0 0.24 38.0 300 09225PB-B2L-EA- 00 220 50 165 0.100 13.0 2600 0.80 28.6 0.17 34.0 300 09225PB-B2L-EA- 00 220 60 165 0.080 10.0 3100 0.98 35.0 0.24 39.0 300 09225PB-B3L-EA- 00 230 50 180 0.090 13.0 2600 0.80 28.6 0.17 34.0 300 09225PB-B3L-EA- 00 230 60 180 0.070 10.0 3100 0.98 35.0 0.24 39.0 300 09225PB-B4L-EA- 00 240 50 180 0.085 13.0 2600 0.80 28.6 0.17 34.0 300 09225PB-B4L-EA- 00 240 60 180 0.065 10.0 3100 0.98 35.0 0.24 39.0 300 回転方向:ラベルから見て反時計方向
風吹き出し方向:ラベル側
*1:Average Values in Free Air
*2:Maximum Values in Free Air
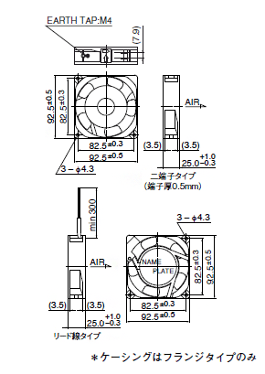
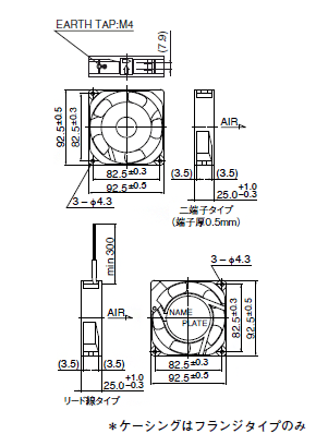
*3:Minimum Values in Free Air外観図
材質
ケーシング:アルミニウム(黒塗装)
インペラー:プラスチック(黒)UL94V-0
軸受:ボールベアリング端子:ファストン#110 相当品
*
リード線タイプも対応可能です。
別途お問い合わせください。
リード線:UL3266, AWG22特性曲線
-
25℃100,000時間 ※故障率10%(L10 Life)
-
製品カタログ
ミネベアミツミのファンモーターが選ばれる理由

