耐塵・耐水・耐油性に優れた密閉型モ-ターと、環境の影響を受けにくい金属インペラを採用したファンモーターです。高電圧AC400系については別途お問い合わせください。
一般仕様
モーター構造: 3相2極
モーター保護: サーマルプロテクト
絶縁抵抗: DC500Vメガにて100MΩ以上
絶縁耐圧: AC1800V 1s
許容環境温度範囲: -20℃~+60℃(Operating)
-40℃~+70℃(Storage)
実用上さしつかえない状態にて結露無きこと
-
-
以下のテーブル内の矢印アイコンを押下していただくと、昇順から降順と順番に切り替わります。
スクロールできます
型式
管理番号
相数
定格電圧
[V]使用電圧範囲
下限
[V]使用電圧範囲
上限
[V]周波数
[Hz]起動電圧
[V]定格電流
[A]定格入力
[W]定格回転速度
[min-1]最大風量
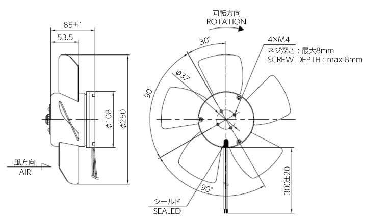
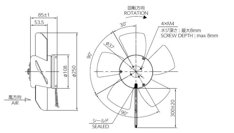
[m3/min]ファン外径
[mm]ファン高さ(厚み)
[mm]質量
[g]PT9833-0220W-B30F-S 00 3 200 180 220 50 130 0.320 105.0 2750 21.00 250.0 85.0 2860 PT9833-0220W-B30F-S 00 3 200 180 220 60 130 0.450 160.0 3050 23.00 250.0 85.0 2860 外観図
材質
インペラー: スチール
軸受: ボールベアリング特性曲線
-
※故障率10% 25℃ 25,000時間(65%RH)
ミネベアミツミのファンモーターが選ばれる理由

