高静圧のシロッコ型ファンで、通風抵抗が大きい機器や局部冷却に最適です。
一般仕様
モーター保護:自動復帰方式、逆接続防止
絶縁抵抗:DC 500V メガにて10M Ω以上
絶縁耐圧:AC 700V 1s
許容環境温度範囲:
-10℃ ~ +70℃ (Operating)
-40℃ ~ +70℃ (Storage)
実用上さしつかえない状態で結露無きこと
-
-
以下のテーブル内の矢印アイコンを押下していただくと、昇順から降順と順番に切り替わります。
スクロールできます
型式
管理番号
定格電圧
[V]使用電圧範囲
下限
[V]使用電圧範囲
上限
[V]定格電流
[A]定格入力
[W]定格回転速度
[min-1]最大風量
[m3/min]最大風量
[CFM]最大静圧
[Pa]最大静圧
[In H2O]騒音
[dB]質量
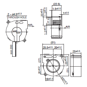
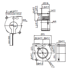
[g]05125GS-12N-AAD-00 00 12 6.0 13.8 0.20 2.40 5700 0.20 7.10 170 0.68 39.0 35 05125GS-24N-AAD-00 00 24 10.0 27.6 0.15 3.60 5700 0.20 7.10 170 0.68 39.0 35 回転方向:ラベルから見て時計方向
風吹き出し方向:ラベル側
*1:Average Values in Free Air外観図
特性曲線
-
40℃ 40,000時間 ※故障率10% (L10 Life)
-
ケーシング:プラスチック(ブラック)UL94V-0
インペラー:プラスチック(ブラック)UL94V-0
軸受:スリーブベアリング
リード線:UL1061 AWG26 +: 赤 -: 黒 -
関連データ
ミネベアミツミのファンモーターが選ばれる理由

