主に通信機器向けに開発されたモーターライズドインペラーです。
ミネベアミツミ製ボールベアリングを使用、三相駆動方式DCブラシレスモータで高信頼性を保っています。
強い風量、静圧が必要とされる箇所に使用されます。
環境対応(防塵・防水)した仕様製品も取り揃えています。
一般仕様
モーター保護:ロック保護、逆接続防止
絶縁抵抗:10MΩ以上、DC500V
絶縁耐圧:AC500V 1分
許容環境温度範囲:
-30℃~+70℃(Operating)
-40℃~+80℃(Storage)
実用上さしつかえない状態で結露無きこと
-
-
以下のテーブル内の矢印アイコンを押下していただくと、昇順から降順と順番に切り替わります。
スクロールできます
型式
定格電圧
[V]使用電圧範囲
下限
[V]使用電圧範囲
上限
[V]定格電流
[A]定格入力
[W]回転速度
[rpm]最大風量
[m3/min]最大風量
[CFM]最大静圧
[Pa]最大静圧
[In H2O]騒音
[dB]質量
[g]F175H1-061-D0750 48 36 72 3.8 182.4 5400 17.7 625 1167 4.7 78 900 F175H2-061-D0740 48 36 72 2.3 110.4 4500 14.6 514 843 3.4 73 900 F175H3-061-D0540 24 18 30 4.7 112.8 4700 15.3 541 913 3.7 74 900 F175H4-061-D0540 24 18 30 3.0 72.0 4000 12.9 455 651 2.6 71 900 *1 Average values in free air and rated voltage condition.
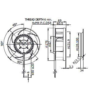
外観図
取付穴参考寸法
特性曲線
-
40℃ 70,000時間 (L10)
-
インペラー:プラスチック
軸受:ボールベアリング
リード線:UL1430 AWG18 +:赤-:黒
速度制御:黄
速度信号:白 -
関連データ
ミネベアミツミのファンモーターが選ばれる理由

