
デジタル機器や携帯電話等に使用される、小型、 低背、大電流のチョークコイル。 高さ1.0mm ~シリーズ化しました。
特長
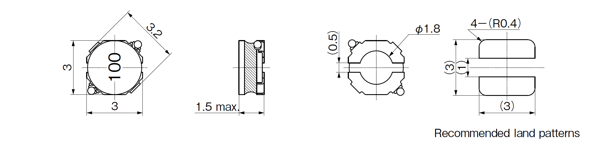
1. 巻線部を磁性樹脂封止した閉磁路構造により低DCRを実現。
2. 幅広端子を使用した耐衝撃性構造。
3. はんだレス(レーザー接合)。
-
-
小型携帯機器(携帯電話、携帯ゲーム機、DSC、DVC、etc.)のDC-DCコンバータ電源回路用。
-
mm
-
以下のテーブル内の矢印アイコンを押下していただくと、昇順から降順と順番に切り替わります。
スクロールできます
寸法(W)
[mm]寸法(D)
[mm]寸法(H) Max
[mm]捺印
インダクタンス
[μH]インダクタンス公差
下限
[%]インダクタンス公差
上限
[%]インダクタンスTest Freq.
[KHz]直流抵抗
[mΩ]定格電流
L=-30%
[A]定格電流
⊿T=40K
[A]3.0 3.0 1.5 1R5 1.50 -30 30 1 58.00 2.40 2.00 3.0 3.0 1.5 1R8 1.80 -30 30 1 65.00 2.20 1.90 3.0 3.0 1.5 2R7 2.70 -30 30 1 85.00 1.85 1.65 3.0 3.0 1.5 3R3 3.30 -30 30 1 115.00 1.65 1.50 3.0 3.0 1.5 3R9 3.90 -30 30 1 125.00 1.50 1.40 3.0 3.0 1.5 4R7 4.70 -30 30 1 140.00 1.35 1.30 3.0 3.0 1.5 5R6 5.60 -30 30 1 150.00 1.20 1.20 3.0 3.0 1.5 6R8 6.80 -30 30 1 200.00 1.15 1.10 3.0 3.0 1.5 8R2 8.20 -30 30 1 210.00 0.85 1.00 3.0 3.0 1.5 100 10.00 -20 20 1 240.00 0.70 0.90 3.0 3.0 1.5 120 12.00 -20 20 1 280.00 0.63 0.85 3.0 3.0 1.5 150 15.00 -20 20 1 365.00 0.58 0.75 3.0 3.0 1.5 180 18.00 -20 20 1 410.00 0.55 0.70 3.0 3.0 1.5 220 22.00 -20 20 1 555.00 0.47 0.60 3.0 3.0 1.5 270 27.00 -20 20 1 620.00 0.45 0.55 3.0 3.0 1.5 330 33.00 -20 20 1 830.00 0.40 0.52 3.0 3.0 1.5 390 39.00 -20 20 1 940.00 0.35 0.48 3.0 3.0 1.5 470 47.00 -20 20 1 1050.00 0.33 0.45 -
スクロールできます
Q'ty
[pcs./reel]Tape Dimensions A
[mm]Tape Dimensions B
[mm]Tape Dimensions C
a
[mm]Tape Dimensions C
b
[mm]Tape Dimensions D
a
[mm]Tape Dimensions D
b
[mm]Tape Dimensions E
a
[mm]Tape Dimensions E
b
[mm]Tape Dimensions F
a
[mm]Tape Dimensions F
b
[mm]Tape Dimensions G
a
[mm]Tape Dimensions G
b
[mm]Tape Dimensions H
a
[mm]Tape Dimensions H
b
[mm]Reel Dimensions I
a
[mm]Reel Dimensions I
b
[mm]Reel Dimensions J
b
[mm]Reel Dimensions K
a
[mm]Reel Dimensions K
b
[mm]4000 3.3 3.3 9.5 0.2 12 0.3 8 0.1 5.5 0.1 1.7 1.7 0.3 0.05 Φ330 Φ2 1 13.5 1