 
高効率、低騒音で長寿命を実現した汎用ファンです。ボールベアリングタイプ、スリーブタイプをご用意しています。
一般仕様
モーター保護:自動復帰方式、逆接続防止
絶縁抵抗:DC 500V メガにて10M Ω以上
絶縁耐圧:AC 700V 1s
許容環境温度範囲:-10℃ ~ +70℃ (Operating)
-40℃ ~ +70℃ (Storage)
実用上さしつかえない状態で結露無きこと
- 
- 
以下のテーブル内の矢印アイコンを押下していただくと、昇順から降順と順番に切り替わります。 スクロールできます 型式 管理番号 定格電圧 
 [V]使用電圧範囲 
 下限
 [V]使用電圧範囲 
 上限
 [V]定格電流 
 [A]定格入力 
 [W]定格回転速度 
 [min-1]最大風量 
 [m3/min]最大風量 
 [CFM]最大静圧 
 [Pa]最大静圧 
 [In H2O]騒音 
 [dB]質量 
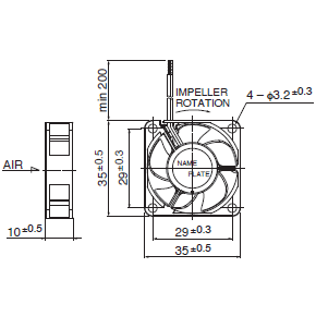
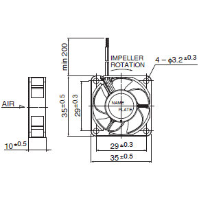
 [g]03510SS-05M-AA-00 00 5 4.5 5.5 0.12 0.60 8000 0.12 4.20 39.4 0.16 22.4 10.5 03510SS-05N-AA-00 00 5 4.5 5.5 0.20 1.00 10000 0.16 5.70 56.3 0.23 27.0 10.5 03510SS-12M-AA-00 00 12 6.0 13.2 0.05 0.60 8000 0.12 4.20 39.4 0.16 22.4 10.5 03510SS-12N-AA-00 00 12 6.0 13.2 0.07 0.84 10000 0.16 5.70 56.3 0.23 27.0 10.5 回転方向:ラベルから見て時計方向 
 風吹き出し方向:ラベル側
 *1:Average Values in Free Air外観図  取付穴参考寸法  特性曲線  
- 
40℃ 30,000時間 ※故障率10% (L10 Life) 
- 
ケーシング:プラスチック(ブラック)UL94V-0 
 インペラー:プラスチック(ブラック)UL94V-0
 軸受:スリーブベアリング
 リード線:UL1061 AWG26 +: 赤 -: 黒
- 
関連データ
注目製品
ミネベアミツミのファンモーターが選ばれる理由
 
 
 
                          
 
 
 
 
 
 
 
 


