高効率、低騒音で長寿命を実現した汎用ファンです。ボールベアリングタイプ、スリーブタイプをご用意しています。
一般仕様
モーター保護:自動復帰方式、逆接続防止
絶縁抵抗:DC 500V メガにて10M Ω以上
絶縁耐圧:AC 700V 1s
許容環境温度範囲:-10℃ ~ +70℃ (Operating)
-40℃ ~ +70℃ (Storage)
実用上さしつかえない状態で結露無きこと
-
-
以下のテーブル内の矢印アイコンを押下していただくと、昇順から降順と順番に切り替わります。
スクロールできます
型式
管理番号
定格電圧
[V]使用電圧範囲
下限
[V]使用電圧範囲
上限
[V]定格電流
[A]定格入力
[W]定格回転速度
[min-1]最大風量
[m3/min]最大風量
[CFM]最大静圧
[Pa]最大静圧
[In H2O]騒音
[dB]質量
[g]04010SS-05L-AA-00 00 5 4.5 5.5 0.09 0.45 5500 0.14 4.90 27.5 0.11 21.0 16.0 04010SS-05M-AA-00 00 5 4.5 5.5 0.13 0.65 6500 0.16 5.60 37.0 0.15 24.0 16.0 04010SS-05N-AA-00 00 5 4.5 5.5 0.17 0.85 7500 0.19 6.70 50.0 0.20 29.0 16.0 04010SS-12L-AA-00 00 12 10.2 13.8 0.03 0.40 5500 0.14 4.90 27.5 0.11 21.0 16.0 04010SS-12M-AA-00 00 12 10.2 13.8 0.05 0.60 6500 0.16 5.60 37.0 0.15 24.0 16.0 04010SS-12N-AA-00 00 12 10.2 13.8 0.06 0.71 7500 0.19 6.70 50.0 0.20 29.0 16.0 04010SS-24L-AA-00 00 24 20.0 26.4 0.02 0.58 5500 0.14 4.90 27.5 0.11 21.0 16.0 04010SS-24M-AA-00 00 24 20.0 26.4 0.03 0.70 6500 0.16 5.60 37.0 0.15 24.0 16.0 04010SS-24N-AA-00 00 24 20.0 26.4 0.05 1.10 7500 0.19 6.70 50.0 0.20 29.0 16.0 回転方向:ラベルから見て時計方向
風吹き出し方向:ラベル側
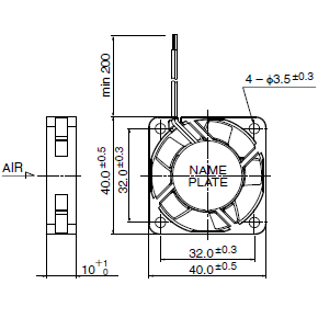
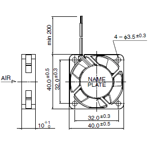
*1:Average Values in Free Air外観図
取付穴参考寸法
特性曲線
-
40℃ 30,000時間 ※故障率10% (L10 Life)
-
ケーシング:プラスチック(ブラック)UL94V-0
インペラー:プラスチック(ブラック)UL94V-0
軸受:スリーブベアリング
リード線:UL1061 AWG26 +: 赤 -: 黒 -
関連データ
注目製品
ミネベアミツミのファンモーターが選ばれる理由

