高効率、低騒音で長寿命を実現した汎用ファンです。ボールベアリングタイプ、スリーブタイプをご用意しています。
一般仕様
モーター保護:自動復帰方式、逆接続防止
絶縁抵抗:DC 500V メガにて10M Ω以上
絶縁耐圧:AC 700V 1s
許容環境温度範囲:-10℃ ~ +60℃ (Operating)
-40℃ ~ +60℃ (Storage)
実用上さしつかえない状態で結露無きこと
-
-
以下のテーブル内の矢印アイコンを押下していただくと、昇順から降順と順番に切り替わります。
スクロールできます
型式
管理番号
定格電圧
[V]使用電圧範囲
下限
[V]使用電圧範囲
上限
[V]定格電流
[A]定格入力
[W]定格回転速度
[min-1]最大風量
[m3/min]最大風量
[CFM]最大静圧
[Pa]最大静圧
[In H2O]騒音
[dB]質量
[g]06015KA-12L-AA-00 00 12 6.0 13.8 0.09 1.08 3600 0.40 14.10 31.3 0.13 28.0 45.0 06015KA-12M-AA-00 00 12 6.0 13.8 0.13 1.56 4100 0.45 15.90 39.7 0.16 31.0 45.0 06015KA-12N-AA-00 00 12 6.0 13.8 0.16 1.92 4600 0.52 18.40 51.2 0.21 34.0 45.0 06015KA-24L-AA-00 00 24 12.0 27.6 0.06 1.44 3600 0.40 14.10 31.3 0.13 28.0 45.0 06015KA-24M-AA-00 00 24 10.0 27.6 0.07 1.68 4100 0.45 15.90 39.7 0.16 31.0 45.0 06015KA-24N-AA-00 00 24 10.0 27.6 0.10 2.40 4600 0.52 18.40 51.2 0.21 34.0 45.0 回転方向:ラベルから見て時計方向
風吹き出し方向:ラベル側
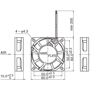
*1:Average Values in Free Air外観図
取付穴参考寸法
特性曲線
-
25℃ 70,000時間 ※故障率10% (L10 Life)
-
ケーシング:プラスチック(ブラック)UL94V-0
インペラー:プラスチック(ブラック)UL94V-0
軸受:ボールベアリング
リード線:UL1007 AWG26 +: 赤 -: 黒 -
関連データ
ミネベアミツミのファンモーターが選ばれる理由

