高効率、低騒音で長寿命を実現した汎用ファンです。ボールベアリングタイプ、スリーブタイプをご用意しています。
一般仕様
モーター保護:自動復帰方式、逆接続防止
絶縁抵抗:DC 500V メガにて10M Ω以上
絶縁耐圧:AC 700V 1s
許容環境温度範囲:-10℃ ~ +70℃ (Operating)
-40℃ ~ +70℃ (Storage)
実用上さしつかえない状態で結露無きこと
-
-
以下のテーブル内の矢印アイコンを押下していただくと、昇順から降順と順番に切り替わります。
スクロールできます
型式
管理番号
定格電圧
[V]使用電圧範囲
下限
[V]使用電圧範囲
上限
[V]定格電流
[A]定格入力
[W]定格回転速度
[min-1]最大風量
[m3/min]最大風量
[CFM]最大静圧
[Pa]最大静圧
[In H2O]騒音
[dB]質量
[g]06015SS-12L-AA-00 00 12 6.0 13.8 0.08 0.96 3200 0.48 17.00 22.4 0.09 26.0 37.0 06015SS-12M-AA-00 00 12 6.0 13.8 0.11 1.32 3700 0.56 19.80 30.8 0.12 30.0 37.0 06015SS-12N-AA-00 00 12 6.0 13.8 0.17 2.04 4200 0.64 22.60 38.8 0.16 34.0 37.0 06015SS-24L-AA-00 00 24 10.0 26.4 0.05 1.20 3200 0.48 17.00 22.4 0.09 26.0 37.0 06015SS-24M-AA-00 00 24 10.0 26.4 0.06 1.44 3700 0.56 19.80 30.8 0.12 30.0 37.0 06015SS-24N-AA-00 00 24 10.0 26.4 0.10 2.40 4200 0.64 22.60 38.8 0.16 34.0 37.0 回転方向:ラベルから見て時計方向
風吹き出し方向:ラベル側
*1:Average Values in Free Air外観図
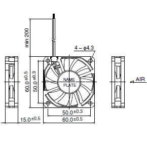
取付穴参考寸法
特性曲線
-
40℃ 40,000時間 ※故障率10% (L10 Life)
-
ケーシング:プラスチック(ブラック)UL94V-0
インペラー:プラスチック(ブラック)UL94V-0
軸受:スリーブベアリング
リード線:UL1061 AWG26 +: 赤 -: 黒 -
関連データ
注目製品
ミネベアミツミのファンモーターが選ばれる理由

