厳しい環境下でも安定した性能を達成するように設計され、
使用用途によって、耐塵性、耐湿性、耐水性、耐油性の個別対応可能です。
一般仕様
モーター保護:自動復帰方式、逆接続防止
絶縁抵抗:DC 500V メガにて10M Ω以上
絶縁耐圧:AC 700V 1s
許容環境温度範囲:-10℃ ~ +70℃ (Operating)
-40℃ ~ +70℃ (Storage)
実用上さしつかえない状態で結露無きこと
-
-
以下のテーブル内の矢印アイコンを押下していただくと、昇順から降順と順番に切り替わります。
スクロールできます
型式
管理番号
定格電圧
[V]使用電圧範囲
下限
[V]使用電圧範囲
上限
[V]定格電流
[A]定格入力
[W]定格回転速度
[min-1]最大風量
[m3/min]最大風量
[CFM]最大静圧
[Pa]最大静圧
[In H2O]騒音
[dB]質量
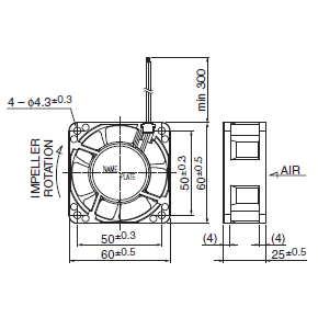
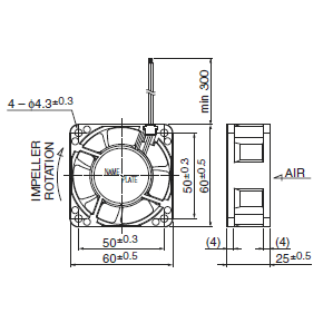
[g]06025VA-12M-AA-00 00 12 9.0 13.8 0.17 2.04 6000 0.68 24.00 107.0 0.43 38.0 90.0 06025VA-12N-AA-00 00 12 9.0 13.8 0.26 3.12 7000 0.79 27.90 144.9 0.58 44.0 90.0 06025VA-12P-AA-00 00 12 9.0 13.8 0.31 3.72 8000 0.92 32.50 187.9 0.75 49.0 90.0 06025VA-12Q-AA-00 00 12 7.0 13.2 0.50 6.00 9200 1.11 39.20 244.0 0.98 54.0 90.0 06025VA-24M-AA-00 00 24 10.0 27.6 0.09 2.16 6000 0.68 24.00 107.0 0.43 38.0 90.0 06025VA-24N-AA-00 00 24 10.0 27.6 0.13 3.12 7000 0.79 27.90 144.9 0.58 44.0 90.0 06025VA-24P-AA-00 00 24 10.0 27.6 0.19 4.56 8000 0.92 32.50 187.9 0.75 49.0 90.0 06025VA-24Q-AA-00 00 24 10.0 27.6 0.25 6.00 9200 1.11 39.20 244.0 0.98 54.0 90.0 回転方向:ラベルから見て時計方向
風吹き出し方向:ラベル側
*1:Average Values in Free Air外観図
取付穴参考寸法
特性曲線
-
60℃ 40,000時間 ※故障率10% (L10 Life)
-
ケーシング:プラスチック(ブラック)UL94V-0
インペラー:プラスチック(ブラック)UL94V-0
軸受:ボールベアリング
リード線:UL3385 AWG26 +: 赤 -: 黒
* IP対応、耐油タイプにつきましては、カスタム対応にて製作可能です。
詳しくはお問い合わせください。 -
関連データ
注目製品
ミネベアミツミのファンモーターが選ばれる理由

