 
厳しい環境下でも安定した性能を達成するように設計され、
使用用途によって、耐塵性、耐湿性、耐水性、耐油性の個別対応可能です。
一般仕様
モーター保護:自動復帰方式、逆接続防止
絶縁抵抗:DC 500V メガにて10M Ω以上
絶縁耐圧:AC 700V 1s
許容環境温度範囲:-10℃ ~ +70℃ (Operating)
-40℃ ~ +70℃ (Storage)
実用上さしつかえない状態で結露無きこと
- 
- 
以下のテーブル内の矢印アイコンを押下していただくと、昇順から降順と順番に切り替わります。 スクロールできます 型式 管理番号 定格電圧 
 [V]使用電圧範囲 
 下限
 [V]使用電圧範囲 
 上限
 [V]定格電流 
 [A]定格入力 
 [W]定格回転速度 
 [min-1]最大風量 
 [m3/min]最大風量 
 [CFM]最大静圧 
 [Pa]最大静圧 
 [In H2O]騒音 
 [dB]質量 
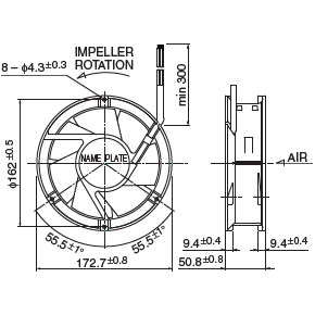
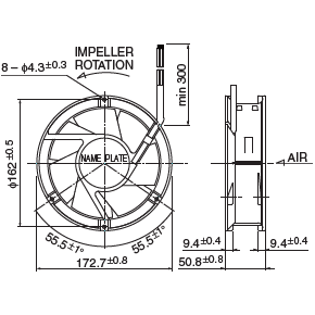
 [g]17250VA-24P-EA-00 00 24 18.0 26.4 1.10 26.40 3750 8.00 282.00 232.0 0.93 56.0 830.0 17250VA-24Q-EA-00 00 24 18.0 26.4 1.30 31.20 4000 8.50 300.00 267.0 1.07 58.0 830.0 17250VA-24R-EA-00 00 24 18.0 26.4 1.80 43.20 4600 9.80 346.00 312.0 1.25 62.0 830.0 17250VA-48P-EA-00 00 48 38.0 52.8 0.55 26.40 3750 8.00 282.00 232.0 0.93 56.0 830.0 17250VA-48Q-EA-00 00 48 38.0 52.8 0.65 31.20 4000 8.50 300.00 267.0 1.07 58.0 830.0 17250VA-48R-EA-00 00 48 38.0 52.8 0.90 43.20 4600 9.80 346.00 312.0 1.25 62.0 830.0 回転方向:ラベルから見て反時計方向 
 風吹き出し方向:ラベル側
 *1:Average Values in Free Air外観図  取付穴参考寸法  特性曲線  
- 
25℃ 100,000時間 ※故障率10% (L10 Life) 
- 
ケーシング:アルミニウム(黒塗装) 
 インペラー:プラスチック(ブラック)UL94V-0
 軸受:ボールベアリング
 リード線:UL10368 AWG22 +: 赤 -: 黒
 * IP対応、耐油タイプにつきましては、カスタム対応にて製作可能です。
 詳しくはお問い合わせください。
- 
関連データ
注目製品
ミネベアミツミのファンモーターが選ばれる理由
 
 
 
                          
 
 
 
 
 
 
 
 


