高効率、低騒音で長寿命を実現した汎用ファンです。ボールベアリングタイプ、スリーブタイプをご用意しています。
一般仕様
モーター保護:自動復帰方式、逆接続防止
絶縁抵抗:DC 500V メガにて10M Ω以上
絶縁耐圧:AC 700V 1s
許容環境温度範囲:-10℃ ~ +70℃ (Operating)
-40℃ ~ +70℃ (Storage)
実用上さしつかえない状態で結露無きこと
-
-
以下のテーブル内の矢印アイコンを押下していただくと、昇順から降順と順番に切り替わります。
スクロールできます
型式
管理番号
定格電圧
[V]使用電圧範囲
下限
[V]使用電圧範囲
上限
[V]定格電流
[A]定格入力
[W]定格回転速度
[min-1]最大風量
[m3/min]最大風量
[CFM]最大静圧
[Pa]最大静圧
[In H2O]騒音
[dB]質量
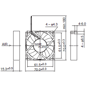
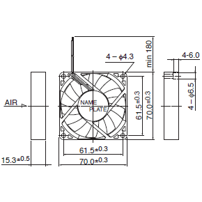
[g]2806KL-04W-B30-B00 B00 12 6.0 13.8 0.13 1.56 2900 0.70 24.70 23.6 0.09 26.5 60.0 2806KL-04W-B40-B00 B00 12 6.0 13.8 0.21 2.52 3400 0.82 29.00 31.8 0.13 30.5 60.0 2806KL-04W-B50-B00 B00 12 6.0 13.8 0.21 2.52 3900 0.95 33.50 42.5 0.17 34.5 60.0 2806KL-04W-B60-B00 B00 12 6.0 13.2 0.30 3.60 4400 1.08 38.10 55.2 0.22 39.0 60.0 回転方向:ラベルから見て時計方向
風吹き出し方向:ラベル側
*1:Average Values in Free Air外観図
取付穴参考寸法
特性曲線
-
25℃ 70,000時間 ※故障率10% (L10 Life)
-
ケーシング:プラスチック(ブラック)UL94V-0
インペラー:プラスチック(ブラック)UL94V-0
軸受:ボールベアリング
リード線:UL1007 AWG26 +: 赤 -: 黒 -
関連データ
注目製品
ミネベアミツミのファンモーターが選ばれる理由

