高効率、低騒音で長寿命を実現した汎用ファンです。ボールベアリングタイプ、スリーブタイプをご用意しています。
一般仕様
モーター保護:自動復帰方式、逆接続防止
絶縁抵抗:DC 500V メガにて10M Ω以上
絶縁耐圧:AC 700V 1s
許容環境温度範囲:-10℃ ~ +70℃ (Operating)
-40℃ ~ +70℃ (Storage)
実用上さしつかえない状態で結露無きこと
-
-
以下のテーブル内の矢印アイコンを押下していただくと、昇順から降順と順番に切り替わります。
スクロールできます
型式
管理番号
定格電圧
[V]使用電圧範囲
下限
[V]使用電圧範囲
上限
[V]定格電流
[A]定格入力
[W]定格回転速度
[min-1]最大風量
[m3/min]最大風量
[CFM]最大静圧
[Pa]最大静圧
[In H2O]騒音
[dB]質量
[g]2810KL-04W-B30-E00 E00 12 6.0 13.8 0.15 1.80 3150 0.71 25.10 28.4 0.11 28.0 72.0 2810KL-04W-B40-E00 E00 12 6.0 13.8 0.15 1.80 3450 0.78 27.50 36.5 0.15 31.5 72.0 2810KL-04W-B50-E00 E00 12 6.0 13.8 0.18 2.16 3800 0.88 31.10 41.1 0.16 33.5 72.0 2810KL-04W-B70-E00 E00 12 6.0 13.0 0.35 4.20 4800 1.15 40.60 71.7 0.29 43.0 72.0 回転方向:ラベルから見て時計方向
風吹き出し方向:ラベル側
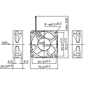
*1:Average Values in Free Air外観図
取付穴参考寸法
特性曲線
-
25℃ 100,000時間 (B30~B50 Class) ※故障率10% (L10 Life)
25℃ 90,000時間 (B70 Class) ※故障率10% (L10 Life) -
ケーシング:プラスチック(ブラック)UL94V-0
インペラー:プラスチック(ブラック)UL94V-0
軸受:ボールベアリング
リード線:UL1007 AWG24 +: 赤 -: 黒 -
関連データ
注目製品
ミネベアミツミのファンモーターが選ばれる理由

