主に通信機器向けに開発されたモーターライズドインペラーです。
ミネベアミツミ製ボールベアリングを使用、三相駆動方式DCブラシレスモータで高信頼性を保っています。
強い風量、静圧が必要とされる箇所に使用されます。
環境対応(防塵・防水)した仕様製品も取り揃えています。
一般仕様
モーター保護:ロック保護、逆接続防止
絶縁抵抗:10MΩ以上、DC500V
絶縁耐圧:AC500V 1分
許容環境温度範囲:
-30℃ ~ +70℃ (動作)
-40℃ ~ +80℃ (保存)
実用上さしつかえない状態で結露無きこと
* IP対応も可能です。別途お問い合わせ下さい。
-
-
以下のテーブル内の矢印アイコンを押下していただくと、昇順から降順と順番に切り替わります。
スクロールできます
型式
定格電圧
[V]使用電圧範囲
下限
[V]使用電圧範囲
上限
[V]定格電流
[A]定格入力
[W]回転速度
[rpm]最大風量
[m3/min]最大風量
[CFM]最大静圧
[Pa]最大静圧
[In H2O]騒音
[dB]質量
[g]F225TB-092-D0730 48 36 72 2.5 48.0 3150 19.4 685 755 3.0 73 1650 *1 Average values in free air and rated voltage condition.
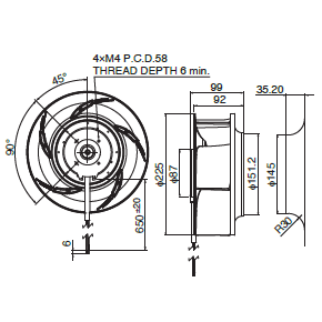
外観図
特性曲線
-
40℃ 70,000時間 ※故障率10% (L10 Life)
-
インペラー:プラスチック
軸受:ボールベアリング
リード線:UL1430 AWG18 +:赤-:黒
速度制御:黄
速度信号:白 -
関連データ
ミネベアミツミのファンモーターが選ばれる理由

