
小型電子機器向けに、クリック感に優れた小型・薄型のプッシュスイッチを生産しています。防塵・防水タイプなど、多彩なタクティールスイッチをご用意しています。
特長
1. 小型で実装面積が小さい。
2. ステンレス製メタルドーム使用により、シャープな感触で高寿命。
3. キーピッチの狭いセットに最適。
4. SMT、リフローはんだ付け可能。
-
-
1. 小型電子機器の操作スイッチ。
-
定格(抵抗負荷) DC12V、50mA 接触抵抗 1Ω以下 絶縁抵抗 10MΩ以上 耐電圧 AC100V、1分間 寿命性 100,000回 梱包単位 SOF-242HST: 5,000pcs
SOF-242HNT: 5,000pcs
SOF-262HST: 5,000pcs
SOF-262HNT: 5,000pcs
SOF-232HST: 4,000pcs
SOF-232HNT: 4,000pcs
SOF-268HFT: 5,000pcs
SOF-269HFT: 5,000pcs
-
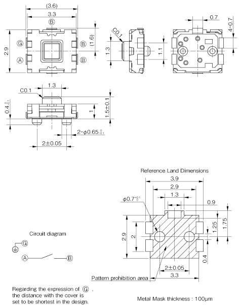
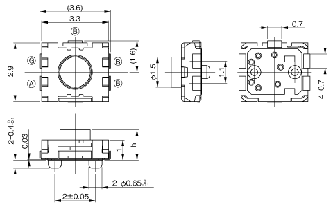
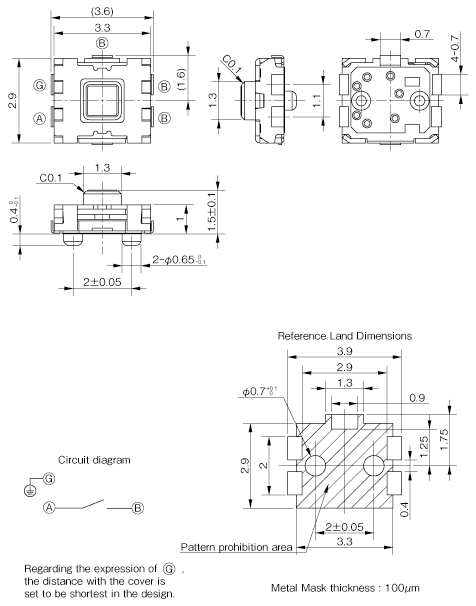
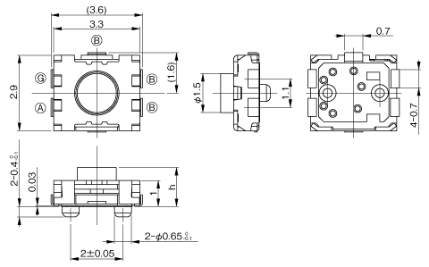
丸ボタン
角ボタン
Unit:mm
-
・記載された製品は改良などにより、外観及び記載事項の一部を予告なく変更することがあります。
・記載内容は実際にご注文される時点での個別の製品の仕様を保証するものではありませんので、ご使用にあたりましては、必ず製品仕様書・製品規格をご請求の上、確認して頂きますようお願い致します。