
小型電子機器向けに、クリック感に優れた小型・薄型のプッシュスイッチを生産しています。防塵・防水タイプなど、多彩なタクティールスイッチをご用意しています。
特長
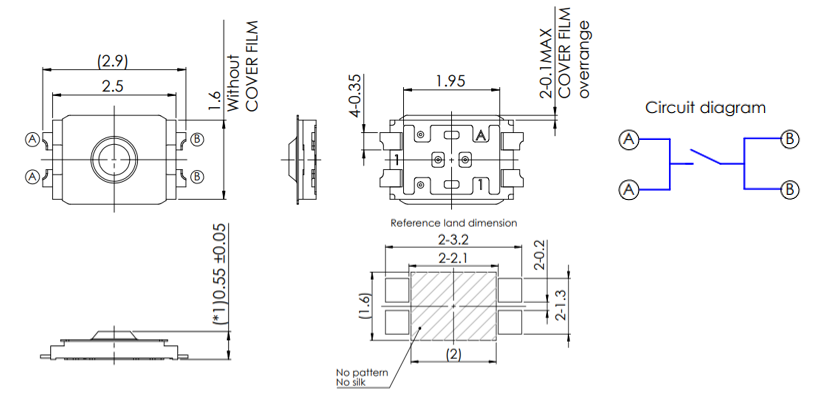
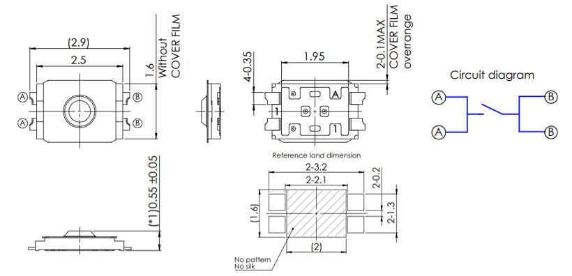
1. 2.5×1.6の超小型スイッチ
2. アクチュエータ方式にすることで好フィーリングを実現。
3. 小型、薄型、防塵設計による高信頼性。
4. IP68相当の防水性能を実現。
-
-
携帯電話、スマートフォン、デジタルカメラ、ゲーム機等。
-
定格(抵抗負荷) DC15V、20mA 接触抵抗 1Ω以下 絶縁抵抗 10MΩ以上 耐電圧 AC100V、1分間 寿命性 STR-055A12AY : 500,000回
STR-055A16AY : 500,000回
STR-055A24AY : 200,000回梱包単位 STR-055A12AY: 25,000
STR-055A16AY: 25,000
STR-055A24AY: 25,000防水性 保護等級: IP68
-
Unit:mm
-
・記載された製品は改良などにより、外観及び記載事項の一部を予告なく変更することがあります。
・記載内容は実際にご注文される時点での個別の製品の仕様を保証するものではありませんので、ご使用にあたりましては、必ず製品仕様書・製品規格をご請求の上、確認して頂きますようお願い致します。