Features

1. Minimized mounting area.
2. Using the stainless steel metal dome with long life and sharp feeling.
3. Suitable for mounting a narrow key pitch.
4. Suitable for SMT reflow soldering.
Application
1. For small electronic equipment.
Specifications
Rating (Resistive load) | DC12V, 50mA |
---|---|
Contact Resistance | 1Ω or less |
Insulation resistance | 10MΩ or more |
Withstand Voltage | 1 minute at AC 100V |
Life | 100,000cycles |
Pcs/Reel | SOF-242HST : 5,000 SOF-242HNT : 5,000 SOF-262HST : 5,000 SOF-262HNT : 5,000 SOF-232HST : 4,000 SOF-232HNT : 4,000 SOF-268HFT : 5,000 SOF-269HFT : 5,000 |
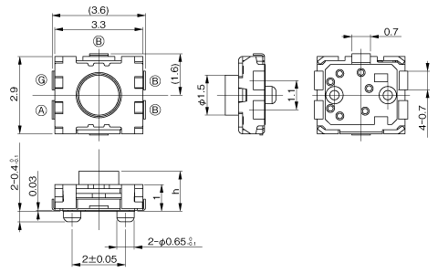
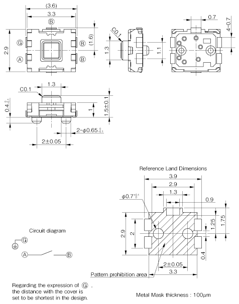
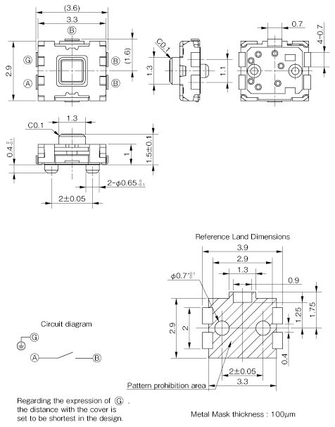
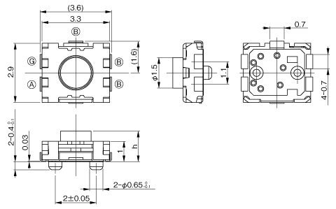
Overall View
Circle button

Square button

Unit:mm
NOTE
*Any products mentioned in this catalog are subject to any modification in their appearance and others for improvements without prior notification.
*The details listed here are not a guarantee of the individual products at the time of ordering. When using the products, you will be asked to check their specifications.