Features

1. 1-pole, 3-contacts self return slide switch.
2. Suitable for SMT reflow soldering.
3. Providing 6 kinds of operations and tactile feelings by unique combination of slider and cover.
Application
1. For portable audios, remote controllers, DSC, video players, mobile phones, PDAs, etc.
2. For power switches, hold switches, mode select switches.
3. For zoom function in cameras.
Specifications
Rating (Resistive load) | 0.3A, 4V DC |
---|---|
Contact Resistance | 1Ω or less |
Insulation resistance | 10MΩ or more |
Withstand Voltage | 1 minute at 100V AC |
Operating Force | Self return section: 1.2±1.0N Click section: 1.5±1.0N |
Life | 50,000cycles |
Pcs/Reel | Horizontal : 5,000pcs |
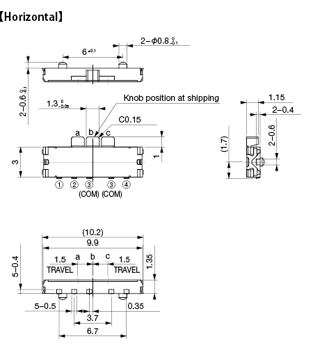
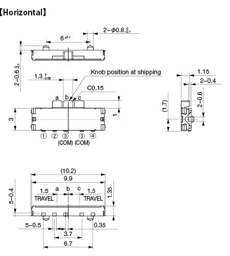
Overall View


Unit:mm
NOTE
*Any products mentioned in this catalog are subject to any modification in their appearance and others for improvements without prior notification.
*The details listed here are not a guarantee of the individual products at the time of ordering. When using the products, you will be asked to check their specifications.