LH01 Series
1.FPC can be used both side available
2.Incorrect insertion-proof construction (retainer /FPC mounting part)
3.Inertial locking structure
*We kindly request that you prepare the FPC (Flexible Printed Circuit) in the shape and material of your choice.

【Model Description】
()・・・ Number of pins
*/#・・・ Product specification

※The P/N on the product is an abbreviated representation

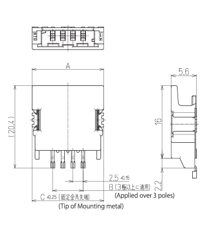
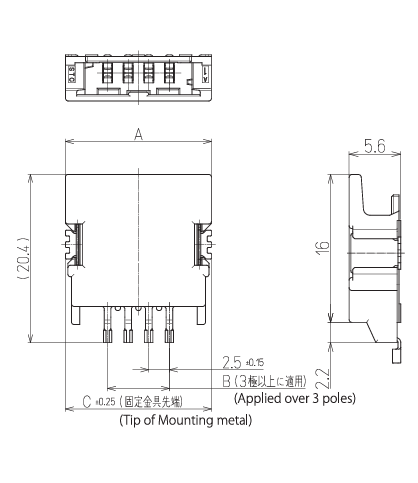
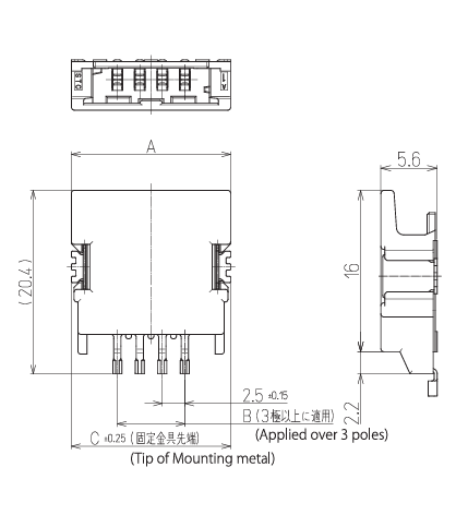
  • Parts No. LH01T5-0()B#-0*
    Pin Count 2,4
    Pich
    [mm]
    2.5
    Mounting Method/
    Wiring method
    Right-angle SMT
    Current Rating
    [A/Pin]
    3
    Dielectric Withstanding
    Voltage
    1,000V A.C.(r.m.s.) for a minute
    Operating Temparature
    Min
    [deg.C]
    -40
    Operating Temparature
    Max
    [deg.C]
    125

  • The product information in this data is for reference only.
    This is subject to change without notice.
    Contact our sales staff for further information before considering or ordering any of our products.
    Please request the Engineering Drawing for the most current and accurate design information.

Featured Products

Industry

Contact Us

Please click the inquiry type below according to your question. Each product / sales representative will respond to you.