Outline

CE01 Series
1.Waterproof performance with terminal insertion only
2.Improved workability by latch lock mechanism
3.Branch type is available
【Model Description】
()・・・ Number of pins
*・・・ Product specification
Specifiacations
Parts No. | CE01E0-01N1 |
---|---|
Mounting Method/ Wiring method |
Dummy Plug |
Operating Temparature Min [deg.C] |
-40 |
Operating Temparature Max [deg.C] |
105 |
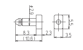
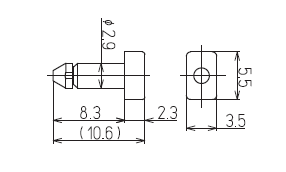
Overall View

NOTE
The product information in this data is for reference only.
This is subject to change without notice.
Contact our sales staff for further information before considering or ordering any of our products.
Please request the Engineering Drawing for the most current and accurate design information.