Package Detail: Dimensional Drawing, Recommended Land Pattern

Find package dimensional drawings and recommended land patterns for each package type.
This resource will help you compare our products and find the right fit for your design!
Download the Package List here
SON-6C
Dimensional Drawing

Recommended Land Pattern

SON-6F
外Dimensional Drawing

Recommended Land Pattern

SOT89-5A
Dimensional Drawing

Recommended Land Pattern

HSOP-8A
Dimensional Drawing

Recommended Land Pattern

HSOP-8D
Dimensional Drawing

Recommended Land Pattern

HSOP-8E
Dimensional Drawing

Recommended Land Pattern

SC-82ABA
Dimensional Drawing

Recommended Land Pattern

SC-82ABB
Dimensional Drawing

Recommended Land Pattern

SC-88A
Dimensional Drawing

Recommended Land Pattern

SOT-23A
Dimensional Drawing

Recommended Land Pattern

SOT-25A
Dimensional Drawing

Recommended Land Pattern

SOT-26A
Dimensional Drawing

Recommended Land Pattern

SOT-26B
Dimensional Drawing

Recommended Land Pattern

SOP-8C
Dimensional Drawing

Recommended Land Pattern

SOP-8D
Dimensional Drawing

Recommended Land Pattern

SOP-8G
Dimensional Drawing

Recommended Land Pattern

SOP-8J
Dimensional Drawing

Recommended Land Pattern

SOP-10A
Dimensional Drawing

Recommended Land Pattern

SOP-16A
Dimensional Drawing

Recommended Land Pattern

SOP-16B
Dimensional Drawing

Recommended Land Pattern

TO-252C
Dimensional Drawing

Recommended Land Pattern

TO-252-5A
Dimensional Drawing

Recommended Land Pattern

TSOP-8A
Dimensional Drawing

Recommended Land Pattern

TSOP-16B
Dimensional Drawing

Recommended Land Pattern

TSOP-16D
Dimensional Drawing

Recommended Land Pattern

TSOP-20D
Dimensional Drawing

Recommended Land Pattern

TSOP-20E
Dimensional Drawing

Recommended Land Pattern

TSOP-20F
Dimensional Drawing

Recommended Land Pattern

TSOP-20G
Dimensional Drawing

Recommended Land Pattern

VSOP-8C
Dimensional Drawing

Recommended Land Pattern

VSOP-8D
Dimensional Drawing

Recommended Land Pattern

VSOP-8E
Dimensional Drawing

Recommended Land Pattern

VSOP-20A
Dimensional Drawing

Recommended Land Pattern

VSOP-24A
Dimensional Drawing

Recommended Land Pattern

SOT-26E
Dimensional Drawing

Recommended Land Pattern

PLP-4A
Dimensional Drawing

Recommended Land Pattern

PLP-4C
Dimensional Drawing

Recommended Land Pattern

PLP-4E
Dimensional Drawing

Recommended Land Pattern

PLP-6C
Dimensional Drawing

Recommended Land Pattern

PLP-6G
Dimensional Drawing

Recommended Land Pattern

PLP-6H
Dimensional Drawing

Recommended Land Pattern

PLP-6J
Dimensional Drawing

Recommended Land Pattern

PLP-8F
Dimensional Drawing

Recommended Land Pattern

PLP-8G
Dimensional Drawing

Recommended Land Pattern

PLP-8H
Dimensional Drawing

Recommended Land Pattern

PLP-10A
Dimensional Drawing

Recommended Land Pattern

PLP-10D
Dimensional Drawing

Recommended Land Pattern

PLP-12A
Dimensional Drawing

Recommended Land Pattern

PLP-12B
Dimensional Drawing

Recommended Land Pattern

PLP-24A
Dimensional Drawing

Recommended Land Pattern

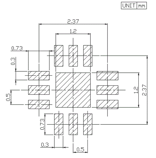
SQFN-16A
Dimensional Drawing

Recommended Land Pattern

SQFN-16B
Dimensional Drawing

Recommended Land Pattern

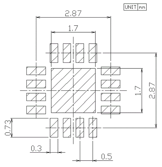
SQFN-24A
Dimensional Drawing

Recommended Land Pattern

SQFN-32A
Dimensional Drawing

Recommended Land Pattern

SSON-4B
Dimensional Drawing

Recommended Land Pattern

SSON-6A
Dimensional Drawing

Recommended Land Pattern

SSON-6E
Dimensional Drawing

Recommended Land Pattern

SSON-6J
Dimensional Drawing

Recommended Land Pattern

SSON-6L
Dimensional Drawing

Recommended Land Pattern

SSON-6M
Dimensional Drawing

Recommended Land Pattern

SSON-6N
Dimensional Drawing

Recommended Land Pattern

SSON-6U
Dimensional Drawing

Recommended Land Pattern

SSON-6V
Dimensional Drawing

Recommended Land Pattern

SSON-8B
Dimensional Drawing

Recommended Land Pattern

SSON-8E
Dimensional Drawing

Recommended Land Pattern

SSON-8G
Dimensional Drawing

Recommended Land Pattern

SSON-10A
Dimensional Drawing

Recommended Land Pattern

SSON-10B
Dimensional Drawing

Recommended Land Pattern

SSON-16A
Dimensional Drawing

Recommended Land Pattern

WLCSP-4E
Dimensional Drawing

Recommended Land Pattern

WLCSP-6B
Dimensional Drawing

Recommended Land Pattern

WLCSP-15A
Dimensional Drawing

Recommended Land Pattern

SOT89-3A
Dimensional Drawing

Recommended Land Pattern

SSON-8F
Dimensional Drawing

Recommended Land Pattern

SQFN-24B
Dimensional Drawing

Recommended Land Pattern

SSON-6K
Dimensional Drawing

Recommended Land Pattern

Engineering Information for Semiconductors
Basic Knowledge
Technical Data
Contact Us
Please click the inquiry type below according to your question. Each product / sales representative will respond to you.