高効率、低騒音で長寿命を実現した汎用ファンです。ボールベアリングタイプ、スリーブタイプをご用意しています。
一般仕様
モーター保護:自動復帰方式、逆接続防止
絶縁抵抗:DC 500V メガにて10M Ω以上
絶縁耐圧:AC 700V 1s
許容環境温度範囲:-10℃ ~ +70℃ (Operating)
-40℃ ~ +70℃ (Storage)
実用上さしつかえない状態で結露無きこと
-
-
以下のテーブル内の矢印アイコンを押下していただくと、昇順から降順と順番に切り替わります。
スクロールできます
型式
管理番号
定格電圧
[V]使用電圧範囲
下限
[V]使用電圧範囲
上限
[V]定格電流
[A]定格入力
[W]定格回転速度
[min-1]最大風量
[m3/min]最大風量
[CFM]最大静圧
[Pa]最大静圧
[In H2O]騒音
[dB]質量
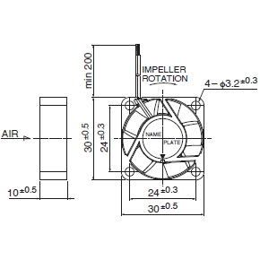
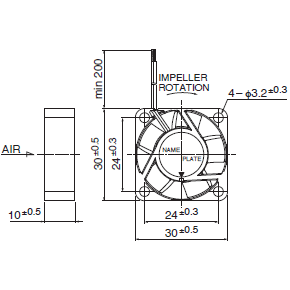
[g]03010SS-05L-AA-00 00 5 4.5 5.5 0.12 0.60 8500 0.10 3.50 38.0 0.15 23.5 8.5 03010SS-05M-AA-00 00 5 4.5 5.5 0.16 0.80 9500 0.11 3.90 48.0 0.19 26.0 8.5 03010SS-05N-AA-00 00 5 4.5 5.5 0.21 1.05 10500 0.12 4.20 59.0 0.24 28.0 8.5 03010SS-12L-AA-00 00 12 7.0 13.2 0.06 0.72 8500 0.10 3.50 38.0 0.15 26.0 8.5 03010SS-12M-AA-00 00 12 7.0 13.2 0.07 0.84 9500 0.11 3.90 48.0 0.19 30.0 8.5 03010SS-12N-AA-00 00 12 6.0 13.2 0.08 0.96 10500 0.12 4.20 59.0 0.24 34.0 8.5 回転方向:ラベルから見て時計方向
風吹き出し方向:ラベル側
*1:Average Values in Free Air外観図
取付穴参考寸法
特性曲線
-
40℃ 30,000時間 ※故障率10% (L10 Life)
-
ケーシング:プラスチック(ブラック)UL94V-0
インペラー:プラスチック(ブラック)UL94V-0
軸受:スリーブベアリング
リード線:UL1061 AWG26 +: 赤 -: 黒 -
関連データ
注目製品
ミネベアミツミのファンモーターが選ばれる理由

