General Specifications

Motor Protection:Auto Restart / Polarity Protection
Insulation Resistance:10M ohm or over with a DC500V Megger
Dielectric Withstand Voltage:AC700V 1s
Allowable Ambient Temperature Range :
-10deg.C - +70deg.C (Operating)
-40deg.C - +70deg.C (Storage)
non-condensing environment
Specifications
Model | Product No | Nominal Voltage [V] |
Operating Voltage lower limit [V] |
Operating Voltage upper limit [V] |
Current [A] |
Input Power [W] |
Speed [min-1] |
Max. Air Flow [m3/min] |
Max. Air Flow [CFM] |
Max. Static Pressure [Pa] |
Max. Static Pressure [In H2O] |
Noise [dB] |
Mass [g] |
---|
Rotation: Clockwise as seen from the label side
*1: Average Values in Free Air
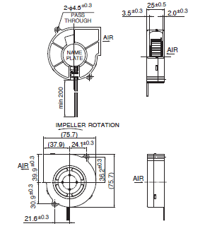
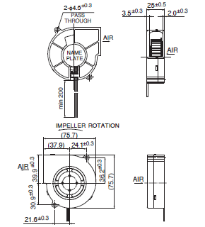
Outline

Characteristic Curves

Expected Life
25deg.C 70,000 Hours *Failure Rate 10% (L10 Life)
Material
Casing:Plastic (Black) UL94V-0
Impeller:Plastic (Black) UL94V-0
Bearing:Ball Bearing
Lead Wire:UL1007 AWG26 +: Red, -: Black