General Specifications

Motor Protection:Locked rotor, Reverse polarity
Insulation Resistance:10M Ohm min, measured with 500V DC between all leads shorted together and case
Dielectric Withstand Voltage:AC500V 1minuteAllowable Ambient Temperature Range:
-30 deg.C - +70 deg.C (Operating)
-40 deg.C - +80 deg.C (Storage)
non-condensing environment
Specifications
Model | Nominal Voltage [V] |
Operating Voltage lower limit [V] |
Operating Voltage upper limit [V] |
Nominal Current [A] |
Input Power [W] |
Speed [rpm] |
Maximum airflow [m3/min] |
Max. Air Flow [CFM] |
Max. Static Pressure [Pa] |
Max. Static Pressure [In H2O] |
Noise [dB] |
Mass [g] |
---|
*1 Average values in free air and rated voltage condition.
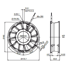
Outline

Characteristic Curves

Expected Life
40 deg.C 70,000hours (L10)
Material
Casing: Aluminum
Impeller: Plastic
Bearing: Ball
BearingsLead Wire: UL3266 AWG22 +: Red−: BlackSpeed Control: YellowSpeed Signal: White