General Specifications

Motor Structure:Shaded Pole Induction Motor
Motor Protection:Impedance Protection
Insulation Resistance:Min 100M ohm by DC 500V Megger
Dielectric Withstand Voltage:AC1800V 3s
Allowable Ambient Temperature Range:
-10deg.C - +70deg.C (Operating)
-40deg.C - +70deg.C (Storage)
non-condensing environmentOld model name:4710PS
Specifications
Model | Product No | Nominal Voltage [V] |
Frequency [Hz] |
Starting Voltage [V] |
Current [A] |
Input Power +10%/-20% [W] |
Speed [min-1] |
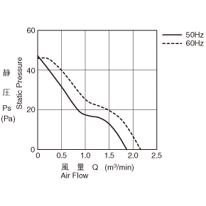
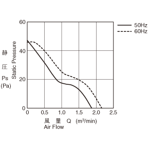
Max. Air Flow [m3/min] |
Max. Air Flow [CFM] |
Max. Static Pressure [In H2O] |
Noise [dB] |
Mass [g] |
---|
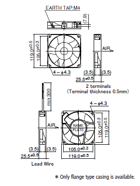
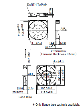
Rotation: Counterclockwise as seen from the label side
Airflow Outlet: Label side
*1: Average Values in Free Air
*2: Maximum Values in Free Air
*3: Minimum Values in Free Air
Outline

Material
Casing:Aluminum (Black Painting)
Impeller:Plastic (Black) UL94V-0
Bearing:Ball Bearing
Terminal:Faston #110 or Equiv
* Lead Wire type is also available.
Lead Wire:UL3266, AWG22
Characteristic Curves

Expected Life
25deg.C 100,000 Hours *Failure Rate 10% (L10 Life)