General Specifications

Motor Structure:3-phase 4pole
Motor Protection:Thermal Protect
Insulation Resistance:100MOhm or over with a DC500V Megger
Dielectric Withstand Voltage:AC1800V 1s
Allowable Ambient Temperature Range:
-20deg.C~+60deg.C
(Operating)
-40deg.C~+70deg.C
(Storage)
*no condensation permissible state plractice.
Specifications
Model | Product No | Phase | Nominal Voltage [V] |
Operating Voltage lower limit [V] |
Operating Voltage upper limit [V] |
Frequency [Hz] |
Starting Voltage [V] |
Current [A] |
Input Power [W] |
Speed [min-1] |
Max. Air Flow [m3/min] |
Fan Diameter [mm] |
Fan Hight [mm] |
Mass [g] |
---|
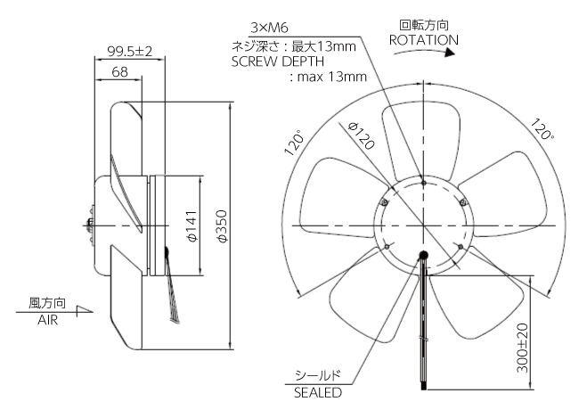
Outline

Material
Impeller:Steel
Bearing:Ball Bearings
Characteristic Curves

Expected Life
*Failure rate 10% 25deg.C 25,000 hours(65%RH)