Overview

3 Phase outer rotor type DC Brushless Motor
Bearing : Can select Oil retaining bearing or Ball bearing
Connection : On request basis
Detent torque : It is possible to adjust the detent torque upon request.
Interface : Coil terminal
Input & Output of Hall sensor or Hall IC
Circuit : Can respond to the mounting of the drive IC
Shaft : It is possible to respond to the change of length, the shape of D-cut, the addition of the gear, etc..
Shaft output direction can be selected up and down.
Specification
Outer Diameter [mm] |
No load speed [r/min] |
Starting torque [mN・m] |
Maximum output power [W] |
Starting current [mA] |
Starting torquey [%] |
Speed at maximal efficiency [r/min] |
Speed at max output power [r/min] |
Life at 20 deg.C [hour] |
---|---|---|---|---|---|---|---|---|
29.2 | 3800 | 48.0 | 4.8 | 1600 | 72 | 3200 | 1800 | 5000 |
* Major characteristic parameters at 12V.
Please contact our sales for detail specification & order lot QTY. (All custom product by customer's requirement)
Property diagram

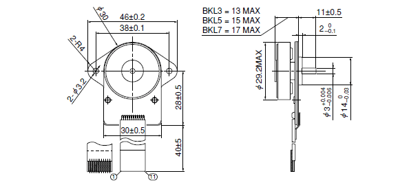
Overall View
