General Specifications

Motor Protection:Auto Restart / Polarity Protection
Insulation Resistance:10M ohm or over with a DC500V Megger
Dielectric Withstand Voltage:AC700V 1s
Allowable Ambient Temperature Range :-10deg.C - +85deg.C (Operating)
-40deg.C - +85deg.C (Storage)
non-condensing environment
Specifications
Model | Product No | Nominal Voltage [V] |
Operating Voltage lower limit [V] |
Operating Voltage upper limit [V] |
Current [A] |
Input Power [W] |
Speed [min-1] |
Max. Air Flow [m3/min] |
Max. Air Flow [CFM] |
Max. Static Pressure [Pa] |
Max. Static Pressure [In H2O] |
Noise [dB] |
Mass [g] |
---|
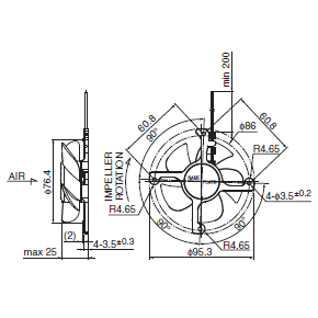
Rotation: Clockwise as seen from the label side
Airflow Outlet: Label side
*1: Average Values in Free Air
*2: Measured by dedicated the casing
Outline

Characteristic Curves

Expected Life
85deg.C 40,000 Hours *Failure Rate 10% (L10 Life)
Material
Casing:Aluminum (No Paint)
Impeller:Plastic (Black) UL94V-0
Bearing:Ball
Bearing Lead Wire:UL3266 AWG24 +: Red, -: Black
* Customize service for IP compatible type and Oil-proof type is available for this item.
Please contact to our sales representative for more detail.