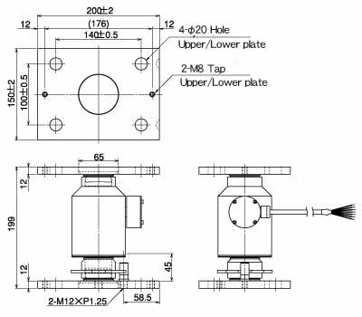
Applicable load cell
CC002/DC002 series metal fitting
| Item | Accessory part No. | Weight [kg] |
|---|
Latest News
- 2025.05.08 Infomation [Case Studies][Minebea Intec] Supports COVID-19 Vaccine Manufacturing【Load cell】page has been published.
- 2025.05.08 Infomation [Case Studies][Minebea Intec] High-Precision Weighing for Lithium Batteries【Load cell】page has been published.
- 2025.05.08 Infomation [Minebea Intec] A truck weighbridge solid as rock –thanks to load cells【Load cell】page has been published.
- 2025.05.08 Infomation [Case Studies][Minebea Intec] Building Trust with Corrosion-Resistant Load Cells【Load cell】page has been published.
- 2025.05.08 Infomation [Case Studies][[Minebea Intec]From Material Handling to Pre-Packaging Checks【Load cell】page has been published.
- 2025.05.08 Infomation [Case Studies][Minebea Intec] Contego® Mobile Weighing for Cleanrooms【Load cell】page has been published.
- 2025.05.08 Infomation [Case Studies][Minebea Intec] High-Precision & Hygienic Weighing Solutions for Pharma Novego【Load cell】page has been published.
- 2024.06.11 Infomation [Basic Knowledge]What is a load cell? page has been published.
