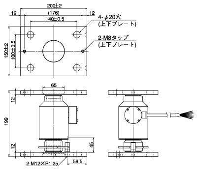
• CC002/DC002シリーズ取付金具装着寸法図

    以下のテーブル内の矢印アイコンを押下していただくと、昇順から降順と順番に切り替わります。

    スクロールできます

    Item

    アクセサリ型式

    質量
    [kg]

    CC002 / DC002シリーズ用 AIC-005B 7.3

カスタム

  • カスタム製品は量産を前提としております。少ロットの場合は要相談となります。

注目製品

ミネベアミツミの計測機器が選ばれる理由

優れた技術と品質であらゆる計測・計装のニーズにお応えする計測機器が選ばれる理由をご紹介

技術情報

事例紹介

ダウンロード

製品トピックス

産業分野(用途)から探す

サポート・お問い合わせ

各種製品に関するお問い合わせや技術的なご質問、各種資料のお取り寄せなど、各製品担当者がお答えいたします。

テクニカルサポートフリーダイヤル

計測機器製品の技術的なサポートが必要な際は、以下のフリーダイヤルにお電話ください。
購入・見積・修理のご依頼は、お問い合わせフォームよりご連絡ください。

0120-950008

受付時間:09:00~12:00、13:00 ~ 16:45土日・祝日・年末年始、及び弊社休日を除きます