General Specifications
 
      Motor Protection:Auto Restart / Polarity Protection
Insulation Resistance:10M ohm or over with a DC500V Megger
Dielectric Withstand Voltage:AC700V 1s
Allowable Ambient Temperature Range :-10deg.C - +70deg.C (Operating)
 -40deg.C - +70deg.C (Storage)
non-condensing environment
Specifications
| Model | Product No | Nominal Voltage [V] | Operating Voltage lower limit [V] | Operating Voltage upper limit [V] | Current [A] | Input Power [W] | Speed [min-1] | Max. Air Flow [m3/min] | Max. Air Flow [CFM] | Max. Static Pressure [Pa] | Max. Static Pressure [In H2O] | Noise [dB] | Mass [g] | 
|---|
Rotation: Clockwise as seen from the label side
Airflow Outlet: Label side
*1: Average Values in Free Air
□=Casing Form A:Rib Type、E:Flange Type
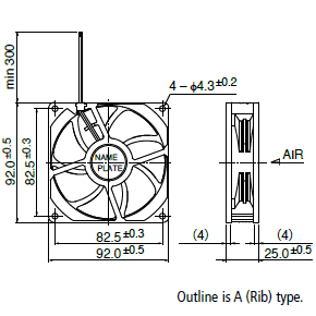
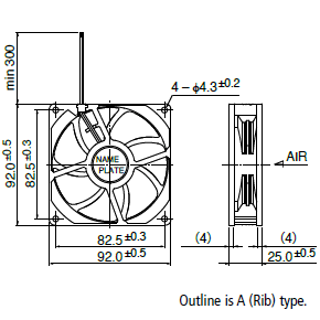
Outline
 
                  
                  Panel Out-cuts
 
                  
                  Characteristic Curves
 
                  
                  Expected Life
40deg.C 50,000 Hours *Failure Rate 10% (L10 Life)
Material
Casing:Plastic (Black) UL94V-0
Impeller:Plastic (Black) UL94V-0
Bearing:Sleeve 
BearingLead Wire:UL1007 AWG26 +: Red, -: Black

 
											 
											 
											 
											 
											 
											 
											