Overview

3 Phase outer rotor type DC Brushless Motor
Gear Unit : PG-22 Type
Interface Power Supply
GND
FG
VSP or PWM
CW / CCW switch
Connection : Connector
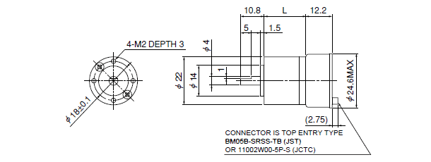
(JST : BM05B-SRSS-TB or JCTC : 11002W00-5P-S)
Metal gear
Gear Ratio | Rated Load Torque [mN・m] |
Max Torque [mN・m] |
Dimension L [mm] |
Efficiency [%] |
---|---|---|---|---|
1/4 | 49 | 73.5 | 13.1 | 85 |
1/16 | 73.5 | 110.3 | 16.2 | 72 |
1/24 | 73.5 | 110.3 | 16.2 | 72 |
1/64 | 98 | 147 | 19.3 | 61 |
1/96 | 98 | 147 | 19.3 | 61 |
Plastic gear
Gear Ratio | Rated Load Torque [mN・m] |
Max Torque [mN・m] |
Dimension L [mm] |
Efficiency [%] |
---|---|---|---|---|
1/4 | 24.5 | 39.2 | 13.1 | 13.1 |
1/16 | 34.3 | 58.5 | 16.2 | 16.2 |
1/24 | 34.3 | 58.8 | 16.2 | 16.2 |
These are specifications of the geaar unit PG-22 Type. For the specification of motor, please visit BCL3.
Please contact our sales for detail specification & order lot QTY. (All custom product by customer's requirement)
Property diagram

Overall View

Gear Appearance

Gear Unit : PG-22 Type
Motor Appearance

BLDC motor : BCL3 Type