家電製品、AV機器、産業機器に用いられるモーターです。 高精度な低振動化技術・軸受技術で対応しています。
概要
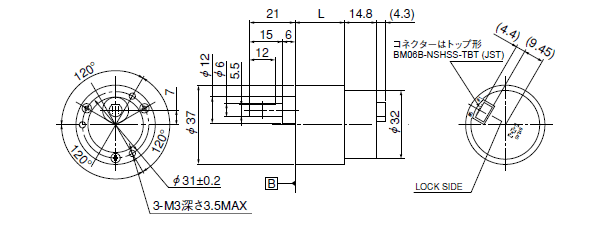
3相アウターローター型DCブラシレスモーター
インターフェース 電源
GND
FG
ブレーキ
PWM
CW / CCW切り換え
接続:コネクタ(JST : BM06B-NSHSS-TBT)
-
-
スクロールできます
ギア比
ギアタイプ
ギア材質
ギア段数
ギアボックス長
[mm]全長
[mm]定格電圧
[V]無負荷回転数
[r/min]無負荷電流
[mA]定格負荷トルク
[mN・m]定格負荷回転数
[r/min]定格負荷電流
[mA]最大定格負荷トルク
[mN・m]瞬時最大トルク
[mN・m]1/10 Spur 金属 1 20.5 35.3 12 415 100 36 384 250 98 98 1/25 Spur 金属 2 23 37.8 12 166 100 81 154 250 196 196 1/60 Spur 金属 3 25 39.8 12 69 100 175 64 250 294 441 1/100 Spur 金属 4 25 39.8 12 42 100 262 38 250 294 735 1/120 Spur 金属 4 25 39.8 12 35 100 315 32 250 588 882 ギアユニットST-35Typeの仕様です。モーターの仕様についてはBKL4をご覧ください。
お客様のご要望に応じたカスタム対応品となりますので詳細仕様及び受注ロットについては弊社営業にお問い合わせ下さい。
ギア比表記は代表例であり、表以外のギヤ比にも対応可能です。
最大定格負荷トルク、瞬時最大トルクは標準仕様の値であり、ギヤ材質、ギヤ厚さ変更によって表記を超えるトルクにも対応可能です。 -
-
ギア外観
ギアユニット : ST-35 Type
モーター外観
BLDCモーター : BKL4 Type
-
関連データ
注目製品
ミネベアミツミのモーターが選ばれる理由
幅広い製品群とグローバルでの開発・生産体制でモノづくりに貢献

