Features

- Adopts a unique spiral cam drive type (design registered), and highly reliable due to its simple structure.
- Rotation of the cam directly to the motor shaft.
- High mechanical efficiency using High-precision MinebeaMitsumi ball bearings.
- Smaller, lighter and more reliable than typical electric grippers due to it is not a complex mechanism using gears or worm gears.
- Small and lightweight design with cam mechanism enables multisided mounting of robot arms.
Specification
Stroke [mm] |
13 |
---|---|
Grip force lower limit [N] |
2.0 |
Grip force upper limit [N] |
6.0 |
Repetitive positioning accuracy [mm] |
±0.02 |
Weight [g] |
190 |
Specifications are subject to change without notice.
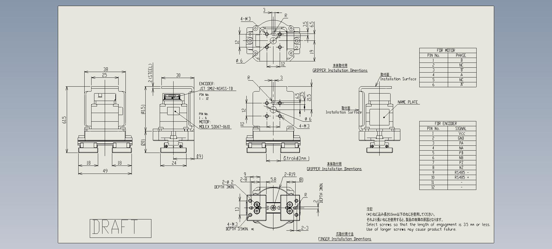
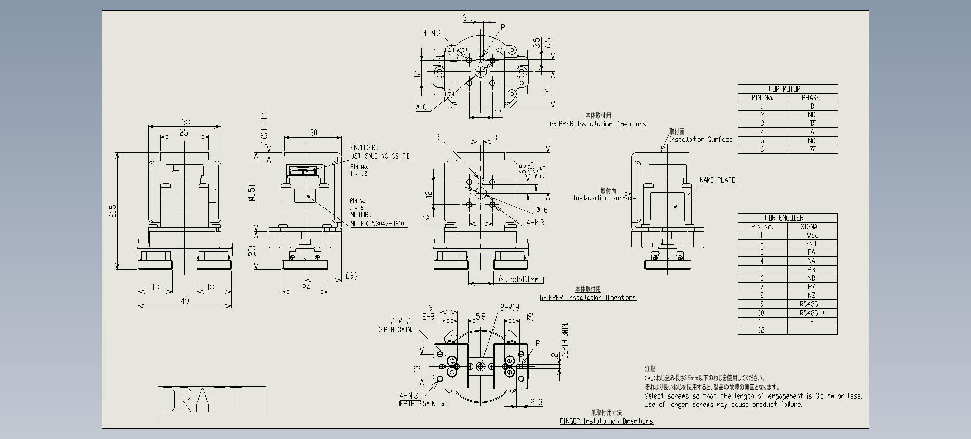
Overall View
