「指先のような繊細さ」と「正確さ」を実現する、ハイブリッド型ステッピングモーター搭載の電動グリッパです。
ワークをただ掴むだけでなく、ワークの検出・測長、グリッパーストロークの調整や速度制御機能を搭載し、より繊細で正確な把持が可能です。
卵やガラス、ばね、半導体など、傷つきやすく壊れやすいワークの把持に最適です。
特長
・独自のスパイラルカム駆動式(意匠登録済)を採用し、シンプルな構造のため信頼性が高い
・モータ軸に直結したカムの回転で開閉
・摺動部は全て高精度ミネベアミツミ製ベアリングを使用し、高い機械効率
・一般的な電動グリッパに比べ、ギア、ウオームギアを使った複雑な機構でないため、小型、軽量、高信頼性
・カム機構による小型、軽量設計により、ロボットアーム等の多面取り付けが可能
-
-
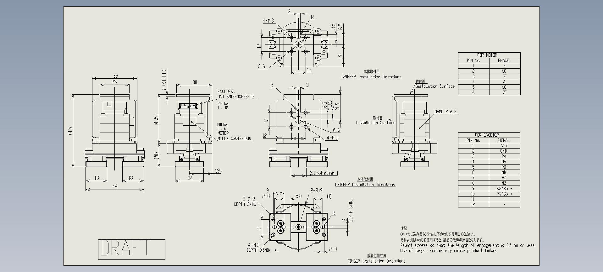
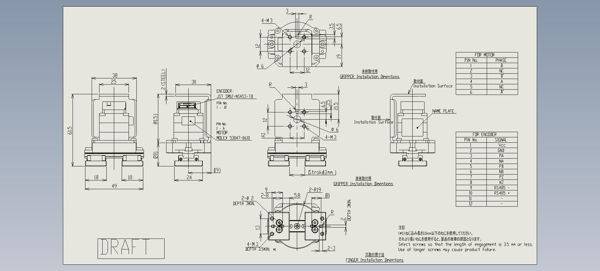
ストローク/両爪
[mm]13 把持力
下限
[N]2.0 把持力
上限
[N]6.0 繰返し位置決め精度
[mm]±0.02 本体重量
[g]190 製品の性能及び仕様は、改良の為予告なく変更することがありますのでご了承ください。
-
注目製品
ミネベアミツミのモーターが選ばれる理由
幅広い製品群とグローバルでの開発・生産体制でモノづくりに貢献

