Features
Communication is via a CANopen driver.
Additionally, it supports I/O and pulse train operations.
See the specifications for details.
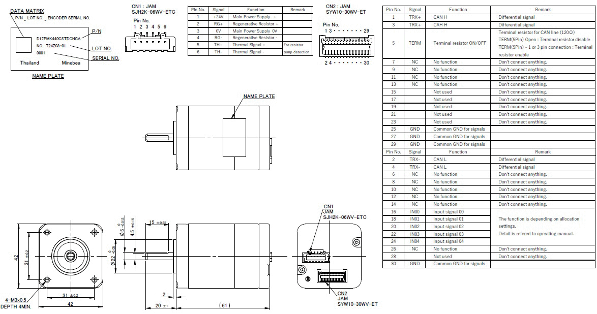
Specifications and Overall View
| Outer Diameter [mm] |
42.0 |
|---|---|
| Length [mm] |
61 |
| Input voltage | DC24V |
| Rated Current [A] |
3A Average |
| Holding Torque [mN・m] |
378 |
| Rotor Inertia [g・cm2] |
75 |
| Detent Torque [mN・m] |
16.7 |
| Adaptive Load Inertia | Within about 1500gcm |
| Encoder Resolution [CPR] |
16384 |
| Communication | CANopen |
| Maximum number of drivers that can be connected | 15 |
| Pulse operation | ✔ |
| I/O operation | ✔ |
| Mass [g] |
400 |
□42
Torque/Speed Characteristics
Connection Diagram
Download
Product customizations by MinebeaMitsumi
We customize products through technological consultations, sample productions, optional functionalities, and other forms of support we offer to meet your demands.

